ГОСТ Р МЭК 60810-2015
ГОСТ Р МЭК 60810-2015
Группа Е81
НАЦИОНАЛЬНЫЙ СТАНДАРТ РОССИЙСКОЙ ФЕДЕРАЦИИ
ЛАМПЫ ДЛЯ ДОРОЖНЫХ ТРАНСПОРТНЫХ СРЕДСТВ
Lamps for road vehicles. Performance requirements
Предисловие
1 ПОДГОТОВЛЕН Государственным унитарным предприятием Республики Мордовия «Научно-исследовательский институт источников света имени А.Н.Лодыгина» (ГУП Республики Мордовия «НИИИС им.А.Н.Лодыгина») на основе собственного аутентичного перевода на русский язык международного стандарта, указанного в пункте 4
2 ВНЕСЕН Техническим комитетом по стандартизации ТК 332 «Светотехнические изделия»
3 УТВЕРЖДЕН И ВВЕДЕН В ДЕЙСТВИЕ Приказом Федерального агентства по техническому регулированию и метрологии от 29 апреля 2015 г. N 309-ст
4 Настоящий стандарт идентичен международному стандарту МЭК 60810:2014 «Лампы для дорожных транспортных средств. Эксплуатационные требования» (IEC 60810:2014 «Lamps for road vehicles — Performance requirements»).
При применении настоящего стандарта рекомендуется использовать вместо ссылочных международных стандартов соответствующие им национальные стандарты Российской Федерации и межгосударственные стандарты, сведения о которых приведены в дополнительном приложении ДА
6 Некоторые положения международного стандарта, указанного в пункте 4, могут являться объектами патентных прав. Международная электротехническая комиссия (МЭК) не несет ответственности за идентификацию подобных патентных прав
Правила применения настоящего стандарта установлены в ГОСТ Р 1.0-2012 (раздел 8). Информация об изменениях к настоящему стандарту публикуется в ежегодном (по состоянию на 1 января текущего года) информационном указателе «Национальные стандарты», а официальный текст изменений и поправок — в ежемесячном информационном указателе «Национальные стандарты». В случае пересмотра (замены) или отмены настоящего стандарта соответствующее уведомление будет опубликовано в ближайшем выпуске ежемесячного информационного указателя «Национальные стандарты».
1 Область применения
Настоящий стандарт распространяется на источники света (лампы накаливания, разрядные лампы и светодиодные источники света), используемые как фарные, противотуманные и светосигнальные для дорожных транспортных средств. Настоящий стандарт распространяется на лампы по МЭК 60809, но может быть использован для применения других ламп, входящих в область применения настоящего стандарта.
Настоящий стандарт устанавливает требования и методы испытаний для контроля эксплуатационных характеристик, таких как продолжительность горения, сохранение светового потока, стойкость к крутящему моменту, прочность стеклянной колбы, стойкость к вибрации и механическому удару. Кроме того, в приложении F приведена информация для руководства при расчете осветительного и электрического оборудования, а именно: пределы температур, наибольшие контуры ламп и максимально допустимые колебания напряжения.
Некоторые требования в настоящем стандарте включают в себя ссылки на данные, приведенные в таблицах. Для ламп, не указанных в этих таблицах, соответствующие данные должен предоставить изготовитель ламп или ответственный поставщик.
Данные эксплуатационные требования дополняют основные требования, установленные в МЭК 60809. Однако они не предназначены для использования уполномоченными органами для целей законодательно установленного одобрения типа.
Примечания
1 Настоящий стандарт не применим к светильникам.
2 В настоящем стандарте применен термин «светодиодный источник света», в других стандартах может быть использован термин «светодиодная лампа» для описания подобных изделий.
2 Нормативные ссылки
В настоящем стандарте использованы ссылки на следующие стандарты (для датированных ссылок следует использовать только указанное издание, для недатированных ссылок следует использовать последнее издание указанного документа, включая все поправки):
МЭК 60050 (все части) Международный электротехнический словарь [IEC 60050 (all parts), International Electrotechnical Vocabulary]
МЭК 60061-1 Цоколи и патроны ламповые с калибрами для проверки взаимозаменяемости и безопасности. Часть 1. Цоколи ламповые (IEC 60061-1, Lamp caps and holders together with gauges for the control of interchangeability and safety — Part 1: Lamp caps)
МЭК 60068-2-6 (1995) Испытания на воздействие внешних факторов. Часть 2-6. Испытания. Испытание Fc: Вибрация (синусоидальная) [IEC 60068-2-6:1995, Environmental testing — Part 2-6: Tests — Test Fc: Vibration (sinusoidal)]
МЭК 60068-2-14 Испытания на воздействие внешних факторов. Часть 2-14. Испытания. Испытание N: Изменение температуры (IEC 60068-2-14, Environmental testing — Part 2-14: Tests — Test N: Change of temperature)
МЭК 60068-2-43 Испытания на воздействие внешних факторов. Часть 2-43. Испытания. Испытание Kd: Испытание контактов и соединений на воздействие сероводорода (IEC 60068-2-43, Environmental testing — Part 2-43: Tests — Test Kd: Hydrogen sulphide test for contacts and connections)
МЭК 60068-2-60 Испытания на воздействие внешних факторов. Часть 2-60. Испытания. Испытание Ке: Испытание на коррозию в среде текущей газовой смеси (IEC 60068-2-60, Environmental testing — Part 2: Tests — Test Ke: Flowing mixed gas corrosion test)
МЭК 60410 (1973) Правила и планы выборочного контроля по качественному признаку (IEC 60410:1973, Sampling plans and procedures for inspection by attributes)
МЭК 60809 (2014) Лампы для дорожных транспортных средств. Требования к размерам, электрическим и световым параметрам (IEC 60809:2014, Lamps for road vehicles — Dimensional, electrical and luminous requirements)
СИСПР 25 Транспортные средства, суда и двигатели внутреннего сгорания. Характеристики радиопомех. Нормы и методы измерений для защиты бортовых приемников (CISPR 25, Vehicles, boats and internal combustion engines — Radio disturbance characteristics — Limits and methods of measurement for the protection of on-board receivers)
ЕЭК ООН. Соглашение о принятии единообразных технических предписаний для колесных транспортных средств, предметов оборудования и частей, которые могут быть установлены и/или использованы на колесных транспортных средствах, и об условиях взаимного признания официальных утверждений, выдаваемых на основе этих предписаний (United Nations, Agreement concerning the adoption of uniform technical prescriptions for wheeled vehicles, equipment and parts which can be fitte and/or be used on wheeled vehicles and the conditions for reciprocal recognition of approvals granted on the basis of these prescriptions)
Добавление 36: Правила N 37. Единообразные предписания, касающиеся официального утверждения ламп накаливания, предназначенных для использования в официально утвержденных фарах механических транспортных средств и их прицепов (Addendum 36 — Regulation No. 37, Uniform provisions concerning the approval of filamen lamps for use in approved lamp units of power-driven vehicles and of their trailers)
Добавление 47: Правила N 48. Единообразные предписания, касающиеся официального утверждения транспортных средств в отношении установки устройств освещения и световой сигнализации (Addendum 47: Regulation No. 48, Uniform provisions concerning the approval of vehicles with regard to the installation of lighting and light-signaling devices)
Добавление 122: Правила N 123. Единообразные предписания, касающиеся официального утверждения адаптивных систем переднего освещения (АСПО) для автотранспортных средств [Addendum 122: Regulation No. 123, Uniform provisions concerning the approval of adaptive front-lighting systems (AFS) for motor vehicles]
Добавление 100: Правила N 101. Единообразные предписания, касающиеся официального утверждения легковых автомобилей, приводимых в движение только двигателем внутреннего сгорания либо приводимых в движение при помощи гибридного электропривода, в отношении измерения объема выбросов двуокиси углерода и расхода топлива и/или измерения расхода электроэнергии и запаса хода на электротяге, а также транспортных средств категорий М1 и N1, приводимых в движение только при помощи электропривода, в отношении измерения расхода электроэнергии и запаса хода на электротяге (Addendum 100: Regulation No. 101, Uniform provisions concerning the approval of passenger cars powered by an internal combustion engine only, or powered by a hybrid electric power train with regard to the measurement of the emission of carbon dioxide and fuel consumption and/or the measurement of electric energy consumption and electric range, and of categories M1 and N1 vehicles powered by an electric power train only with regard to the measurement of electric energy consumption and electric range)
Добавление 127: Правила N 128. Единообразные предписания, касающиеся официального утверждения источников света на светоизлучающих диодах (СИД) для использования в официально утвержденных фарах механических транспортных средств и их прицепов [Addendum 127: Regulation No. 128, Uniform provisions concerning the approval of light emitting diode (LED) light sources for use in approved lamp units on power-driven vehicles and their trailers]
JESD22-A100D Испытание на срок службы при циклических температуре, влажности, напряжении смещения (JESD22-A100D, Cycled temperature humidity bias life test)
JESD22-A101C Испытание на срок службы при устойчивых температуре, влажности, напряжении смещения (JESD22-A101C, Steady-state temperature humidity bias life test)
JESD22-A104D Циклы температур (JESD22-A104D, Temperature cycling)
JESD22-A105C Цикличность мощности и температуры (JESD22-A105C, Power and temperature cycling)
JESD22-A106B Тепловой удар (JESD22-A106B, Thermal shock)
JESD22-A108D Температура, напряжение смещения и рабочая продолжительность горения (JESD22-A108D, Temperature, bias, and operating life)
JESD22-A113F Предварительная выдержка приборов с монтажом на пластмассовой поверхности до испытания на надежность (JESD22-A113F, Preconditioning of plastic surface mount devices prior to reliability testing)
JESD22-A115C Модель машины для испытания чувствительности к электростатическому разряду [JESD22-A115C, Electrostatic discharge (ESD) sensitivity testing machine model (MM)]
JESD22-B101B Внешний осмотр (JESD22-B101B, External visual)
JESD22-B103B Вибрация, переменная частота (JESD22-B103B, Vibration, variable frequency)
JESD22-B110B Механический удар (JESD22-B110B, Mechanical shock)
JESD22-B106D Сопротивление температуры пайки для монтажа приборов через отверстия (JESD22-B106D, Resistance to solder shock for through-hole mounted devices)
JESD51-50:2012-04 Обзор методологий по тепловому измерению одно- и многочипных светодиодов с единичными и множественными p-n-переходами [JESD51-50:2012-04, Overview of methodologies for the thermal measurement of single- and multi-chip, single- and multi-pn-junction light-emitting diodes (LEDs)]
JESD51-51:2012-04 Исполнение метода испытаний электрических параметров для измерения реального теплового сопротивления и полного сопротивления светодиодов с незащищенным охлаждением (JESD51-51:2012-04, Implementation of the electrical test method for the measurement of real thermal resistance and impedance of light-emitting diodes with exposed cooling surface)
JESD51-52:2012-04 Руководство по сочетанию измерений светового потока по МКО 127-2007 с тепловыми измерениями светодиодов с незащищенной охлаждающей поверхностью (JESD51-52:2012-04, Guidelines for combining CIE 127-2007 total flu measurements with thermal measurements of LEDs with exposed cooling surface)
JESD51-53:2012-05 Словарь терминов, определений и единиц измерений для тепловых испытаний светодиодов (JESD51-53:2012-05, Terms, definition and units glossary for LED thermal testing)
ANSI/IPC/ECA J-STD-002C Испытание на способность пайки выводов, конечной нагрузки, зажимов, контактных зажимов и проводов (ANSI/IPC/ECA J-STD-002C, Solderability tests for component leads, terminations, lugs, terminals and wires)
ANSI/ESDA/JEDEC JS-001-2012 Модель человеческого тела для испытания чувствительности к электростатическому разряду. Уровень компонента (ANSI/ESDA/JEDEC JS-001-2012, Standard for electrostatic discharge sensitivity testing human body model (HBM) — component level)
3 Термины и определения
В настоящем стандарте применены термины и определения по МЭК 60050-845, МЭК 60809, а также следующие термины с соответствующими определениями:
3.1 продолжительность горения (life): Время в часах, в течение которого лампа работает до момента выхода из строя.
Примечание — Применительно к лампам накаливания моментом выхода из строя считают:
a) момент времени, когда происходит перегорание тела накала;
b) момент перегорания одного тела накала у лампы с двумя телами накала, если лампу испытывают в цикле переключения, когда попеременно работают оба тела накала.
3.2 характеристическая продолжительность горения
(или Тс) [characteristic life Т (or Тс)]: Постоянная распределения Вейбулла, указывающая время, по истечении которого 63,2% ламп из числа испытуемых ламп одного типа окажутся достигшими индивидуальной продолжительности горения (вышедшими из строя).
3.3 продолжительность горения В3 (life В3): Постоянная распределения Вейбулла, указывающая время, в течение которого 3% ламп из числа испытуемых ламп одного типа достигнет индивидуальной продолжительности горения (выйдет из строя).
3.4 сохранение светового потока (luminous flu maintenance): Отношение светового потока лампы в заданный момент времени ее работы к начальному световому потоку лампы, при этом лампа работает при заданных условиях.
Пример 1 —
— время в часах до сохранения 70% светового потока.
Пример 2 —
— время в часах до сохранения 50% светового потока.
3.5 начальный световой поток (initial luminous flux) Световой поток лампы, измеренный после отжига или старения в соответствии с МЭК 60809 (приложение С) для ламп накаливания, приложением D — для разрядных ламп, или приложением I — для светодиодных источников света.
3.6 расчетное значение (rated value): Значение параметра, заданное для работы лампы при испытательном напряжении и/или других заданных условиях.
3.7 предельная температура на лопатке (pinch temperature limit): Наибольшая допустимая температура на лопатке, обеспечивающая удовлетворительную работу лампы при эксплуатации.
3.8 предельная температура на припое (solder temperature limit): Наибольшая допустимая температура на припое, обеспечивающая удовлетворительную работу лампы при эксплуатации.
3.9 наибольший контур лампы (maximum lamp outline): Контур, ограничивающий пространство, которое должно быть предусмотрено в соответствующем оборудовании для установки ламп.
3.10 лампа для жестких условий эксплуатации (heavy-duty lamp): Лампа, объявленная таковой изготовителем или ответственным поставщиком, которая должна удовлетворять испытанию на жесткие условия эксплуатации по таблице В.3 (приложение В) в дополнение к требованиям, приведенным в МЭК 60809.
3.11 продолжительность горения
(life
): Постоянная распределения Вейбулла, указывающая время, в течение которого 10% ламп из числа испытуемых ламп одного типа достигнет индивидуальной продолжительности горения (выйдет из строя).
3.12 корпусированный светодиод; корпусированный СД (LED package): Твердотельное устройство, состоящее из p-n-перехода и создающее оптическое излучение под воздействием электрического тока.
Примечание — Примеры показаны на рисунке 1.
Рисунок 1 — Примеры корпусированных светодиодов

Рисунок 1 — Примеры корпусированных светодиодов
3.13 светодиодный источник света; СД источник света (LED light source): Источник света, в котором видимое излучение создается одним или несколькими светодиодами.
Примечание — Светодиодный источник света может быть с дополнительным электронным устройством управления или без него и с дополнительными приспособлениями для теплового регулирования или без них.
3.13.1 светодиодный модуль; СД модуль (LED module): Светодиодный источник света, который может быть заменен только с использованием механических инструментов.
Примечания
1 Обычно светодиодные модули используют как компоненты в промышленности, профессиональных службах или на предприятиях, они не предназначены для продажи населению.
2 Примеры показаны на рисунках 2 и 3.
Рисунок 2 — Пример светодиодного модуля без радиатора

Рисунок 2 — Пример светодиодного модуля без радиатора
Рисунок 3 — Пример светодиодного модуля с несъемным радиатором

Рисунок 3 — Пример светодиодного модуля с несъемным радиатором
3.13.2 заменяемый светодиодный источник света (replaceable LED light source): Светодиодный источник света, который может быть легко заменен без специальных инструментов.
Примечания
1 Заменяемые светодиодные источники света обычно предназначены для продажи населению в качестве заменяемой части.
2 Пример показан на рисунке 4.
Рисунок 4 — Пример заменяемого светодиодного источника света

Рисунок 4 — Пример заменяемого светодиодного источника света
3.13.3 незаменяемый светодиодный источник света (non-replaceable LED light source): Светодиодный источник света, который не может быть удален из устройства или светильника.
Примечания
1 Незаменяемые источники света обычно используются изготовителями как компоненты для несъемного встраивания в светильник или устройство. Они сконструированы как неделимые части осветительных или светосигнальных приборов, либо частей, или модулей, или компонентов таких приборов.
2 Пример показан на рисунке 5.
Рисунок 5 — Пример незаменяемого светодиодного источника света

Рисунок 5 — Пример незаменяемого светодиодного источника света
3.14
светодиодного источника света;
(
of a LED light source): Температура в заданном месте на поверхности светодиодного источника света (точке
), которая может быть измерена во время работы источника света и связана с температурой
—
-перехода светодиода.
Примечание — Обычно точку
указывает изготовитель СД источника света или указывают в листе с параметрами.
3.15 электронное устройство управления источника света (electronic light source controlgear): Один или несколько компонентов между сетью и источником света для контроля напряжения и/или электрического тока источника света.
3.16 температура на корпусе;
(case temperature;
): Температура в точке крепления термопары на корпусе светодиода, указанная изготовителем корпуса.
4 Требования и методы испытаний для ламп накаливания
4.1 Основная функция и взаимозаменяемость
Лампы накаливания должны соответствовать МЭК 60809.
4.2 Стойкость к крутящему моменту
Цоколь должен быть прочно прикреплен к колбе.
Соответствие проверяют до и после испытания на продолжительность горения путем приложения к лампе накаливания крутящих моментов следующих значений: лампы накаливания со штифтовыми цоколями:
— с диаметром корпуса 9 мм — 0,3 Н·м
;
— с диаметром корпуса 15мм — 1,5 Н·м
;
— с диаметром корпуса 20 мм — 3,0 Н·м
;
_______________
В стадии рассмотрения
лампы накаливания с резьбовыми цоколями:
— с диаметром корпуса 10 мм — 0,8 Н·м
.
_______________
В стадии рассмотрения
Крутящий момент прикладывают не внезапно, а с постепенным возрастанием от нуля до заданного значения.
Значения основаны на уровне несоответствия 1%.
4.3 Характеристическая продолжительность горения Т
Продолжительность горения Т, полученная при измерении не менее 20 ламп накаливания, должна составлять не менее 96% расчетного значения, приведенного в таблице 3.
Соответствие проверяют испытаниями на продолжительность горения по приложению А.
4.4 Продолжительность горения В3
Продолжительность горения В3 должна быть не менее чем расчетное значение, приведенное в таблице 3.
Соответствие проверяют испытаниями на продолжительность горения по приложению А.
Число ламп накаливания, вышедших из строя раньше времени, не должно превышать приемочного числа, указанного в таблице 1.
Таблица 1 — Условия соответствия по продолжительности горения В3
4.5 Сохранение светового потока
Сохранение светового потока должно быть не менее чем расчетное значение, указанное в таблице 4. Значения основаны на уровне несоответствия 10%.
4.6 Стойкость к вибрации и механическому удару
Если вибрация или механический удар оказывают влияние на эксплуатационную продолжительность горения, то для оценки характеристики следует применять методы испытаний по приложению В.
Лампы накаливания считают выдержавшими испытание на широкополосную или узкополосную случайную вибрацию по приложению В, если они продолжают функционировать в течение испытания и после него.
Число дефектных ламп накаливания по одному из испытаний не должно превышать значений по таблице 2 (значения основаны на приемочном уровне качества 4%).
Таблица 2 — Условия соответствия при испытании на вибрацию
4.7 Прочность стеклянной колбы
Если колбы могут быть повреждены при установке в оборудование, то для оценки характеристики следует применять методы испытаний, приведенные в приложении С. Колбы должны выдерживать заданное усилие сдавливания.
5 Параметры ламп накаливания
Расчетные значения продолжительности горения и сохранения светового потока ламп накаливания определяют при испытаниях в условиях, указанных в приложении А.
В таблицах 3 и 4 приведены расчетные значения продолжительности горения и сохранения светового потока при непрерывной работе лампы.
Таблица 3 — Расчетные значения продолжительности горения при непрерывной работе
Таблица 4 — Расчетные значения сохранения светового потока при непрерывной работе
6 Требования и методы испытаний для разрядных ламп
6.1 Основная функция и взаимозаменяемость
Разрядные лампы должны соответствовать МЭК 60809.
6.2 Механическая прочность
6.2.1 Соединение колбы с цоколем
Колба должна быть прочно соединена с цоколем. Соответствие проверяют путем испытания колбы на прогиб по приложению Е.
6.2.2 Присоединение кабеля к цоколю
Если цоколь с кабелем, то кабель должен выдерживать растягивающее усилие 60 Н. Усилие прикладывают к прямому кабелю.
6.3 Характеристическая продолжительность горения
Значение продолжительности горения
, полученное при измерении не менее 20 ламп, должно быть не менее значения, заявленного изготовителем, и не менее 3000 ч. Соответствие проверяют с помощью испытаний по приложению D.
6.4 Продолжительность горения В3
Значение продолжительности горения В3, полученное при измерении не менее 20 ламп, должно быть не менее значения, заявленного изготовителем, и не менее 1500 ч. Соответствие проверяют посредством испытаний по приложению D.
6.5 Сохранение светового потока
Сохранение светового потока должно быть не менее 60% начального светового потока. Соответствие проверяют путем испытаний по приложению D.
Значения основаны на уровне несоответствия 10%.
6.6 Стойкость к вибрации и механическому удару
Если вибрация и механический удар оказывают влияние на продолжительность горения, то для оценки характеристики следует применять методы испытаний по приложению В.
Разрядные лампы считают выдержавшими испытание на широкополосную или узкополосную случайную вибрацию по приложению В, если они продолжают функционировать в течение испытания и после него. Кроме того, положение электродов должно удовлетворять требованиям к размерам, указанным в соответствующем стандарте.
Значения основаны на уровне несоответствия 4%.
Следует соблюдать предосторожность во избежание потенциальной опасности от высоких напряжений, ультрафиолетового излучения и риска повреждения колбы при зажигании, разгорании и работе некоторых типов разрядных ламп.
6.7 Разрядные лампы с несъемными зажигающими устройствами
Общая масса лампы не должна превышать 75 г. Информация по расчету пускорегулирующего аппарата (далее — ПРА) приведена в приложении G.
6.8 Разрядные лампы с несъемными зажигающими устройствами и несъемными пускорегулирующими аппаратами
Общая масса лампы не должна превышать 120 г.
Центр тяжести ламп с цоколями PK32d по МЭК 60061-1 должен быть расположен в пределах цилиндра, указанного заштрихованными областями на рисунке 6.
Рисунок 6 — Положение центра тяжести (заштрихованные области)

Рисунок 6 — Положение центра тяжести (заштрихованные области)
7 Требования и методы испытаний для светодиодных источников света
7.1 Основная функция и взаимозаменяемость
СД источники света:
— должны быть рассчитаны таким образом, чтобы сохранять хорошее рабочее состояние при нормальной эксплуатации;
— не должны иметь ошибок расчета или изготовления;
— не должны иметь сколов или трещин на оптических поверхностях, которые могут нарушить их эффективность и оптические характеристики.
Заменяемые СД источники света должны иметь цоколи по МЭК 60061-1. Цоколь должен быть прочно соединен с основой СД источника света.
Для подтверждения соответствия СД источников света вышеприведенным требованиям проводят осмотр, проверку размеров и при необходимости опробывание крепления.
7.2 Ультрафиолетовое излучение
Ультрафиолетовое излучение (далее — УФ-излучение) СД источника света определяют согласно МЭК 60809 (2014) (пункт 5.9).
Если
Вт/лм, то источник света — с низким УФ-излучением.
7.3 Сохранение светового потока и цвета
Значение сохранения светового потока
и сохранение цвета измеряют не менее чем на 20 СД источниках света по методике приложения I.
Для очень малых производственных партий измерения допускается проводить менее чем на 20 СД источниках света.
Изготовитель должен заявить и определить значения
и
.
Измеренные значения должны быть не менее значений, заявленных изготовителем.
Для СД источников света, прошедших процедуру одобрения типа по Правилам ЕЭК ООН N 128, значения
должны быть не менее указанных в таблице 5.
Таблица 5 — Минимальные значения
для стандартизованных СД источников света
|
|
|
|
|
|
В таблице 6 приведены для информации типичные значения времени горения у ламп различных функций на 100000 км пробега транспортного средства.
Таблица 6 — Типичное время горения ламп различных функций на 100000 км пробега транспортного средства при средней скорости движения 33,6 км/ч
Если для СД источника света предусмотрены особые требования по эксплуатации, то они должны быть учтены.
Соответствие проверяют путем испытаний по приложению I.
Значения основаны на уровне несоответствия 10%.
Пример данных по продолжительности горения СД источника света приведен в таблице 7.
Таблица 7 — Пример данных об изделии
7.4 Стойкость к вибрации и механическому удару
Если вибрация и механический удар оказывают влияние на продолжительность горения, то для оценки характеристики следует применять методы испытаний по приложению В.
СД источники света считают выдержавшими испытание на широкополосную или узкополосную случайную вибрацию по приложению В, если они продолжают функционировать в течение испытания и после него.
Значения основаны на уровне несоответствия 4%.
7.5 Электромагнитная совместимость
Заменяемые СД источники света классифицируют согласно СИСПР 25.
7.6 Испытание на термоциклирование
Данное испытание предназначено для определения способности СД источников света выдерживать изменение температуры окружающей среды.
Испытание проводят методом Nb по МЭК 60068-2-14 при следующих условиях (см. рисунок 7):
— скорость изменения температуры — 3°С/мин;
— время воздействия
— не менее 2 ч;
— количество циклов — 15;
— испытание проводят не менее чем на 20 СД источниках света;
— в течение испытания СД источник света постоянно включают и отключают на время 5 мин (5 мин включен, 5 мин выключен, 5 мин включен и т.д.);
— испытательное напряжение выбирают в соответствии с I.2 приложения I;
— значения температуры
и
выбирают согласно классам, указанным в таблице 8.
Таблица 8 — Температурные классы для испытания на термоциклирование
Если для СД источников света требуется внешнее устройство управления (далее — УУ), то оно также может быть подвергнуто этому испытанию.
СД источники света, которым требуются дополнительные приспособления для теплового регулирования, испытывают вместе с этими приспособлениями. Описание конструкции приспособлений для теплового регулирования должно быть включено в протокол испытаний.
Рисунок 7 — Выдержка из МЭК 60068-2-14, показывающая вид температурного цикла при испытании по методу Nb
Рисунок 7 — Выдержка из МЭК 60068-2-14, показывающая вид температурного цикла при испытании по методу Nb
После испытания на термоциклирование измеряют электрические и световые параметры СД источников света.
СД источники света считают выдержавшими испытание, если они продолжают функционировать после испытания, а их световые и электрические параметры находятся в пределах, заявленных изготовителем.
Значения основаны на уровне несоответствия 10%.
8 Требования и методы испытаний для корпусированных светодиодов
8.1 Квалификация корпусированных светодиодов по результатам испытаний на воздействие внешних факторов
В разделе 8
определены минимальные квалификационные требования, обусловленные испытаниями на воздействие внешних факторов, и заданы условия испытаний для квалификации корпусированных СД.
_______________
Подход к квалификации корпусированных СД по результатам испытаний на воздействие внешних факторов, представленный в настоящем стандарте, основан на аналогичном подходе, разработанном Советом по автомобильной электронике (АЕС — Q101: Stress test qualification for automotive grade discrete semiconductors).
Цель данной спецификации — определить способность корпусированного СД выдерживать испытания на воздействие внешних факторов и таким образом обеспечивать определенный уровень качества/надежности автомобильного освещения.
Квалификация по результатам испытаний на воздействие внешних факторов согласно настоящему стандарту определяется как успешное выполнение требований испытаний, изложенных в настоящем стандарте.
В 8.6 определен комплекс квалификационных испытаний, на основе которого проводят квалификацию новых корпусированных СД. В случае переквалификации, связанной с изменением конструкции или технологического процесса, он может быть сокращен (см. приложение L).
В обоснованных случаях проводят квалификацию серии, обоснование должен дать поставщик.
Примеры обоснования компоновки серии:
— одна и та же технология изготовления чипа применена для разных корпусированных СД;
— одна и та же система люминофоров использована в разных корпусированных СД.
В настоящем стандарте имеются ссылки на стандарты МЭК или стандарты других организаций (например, JEDEC). В этих случаях дальнейшие сведения по испытаниям находят в ссылочных стандартах. Условия испытаний по настоящему стандарту могут отличаться от условий испытаний по ссылочным стандартам (например, условие 2 для испытания на термоциклирование при питании от сетей). Тем не менее в таком случае применяют дальнейшие положения ссылочного стандарта, если это необходимо.
Результаты испытаний корпусированных СД могут быть изложены в информационном листе по приложению К.
8.2 Образцы для испытаний
8.2.1 Требования к объему выборки
Если не указано иное в 8.6, то для каждого испытания используют не менее 78 корпусированных СД, отобранных от трех различных партий по 26 штук от каждой. Для квалификации серии должны быть предоставлены три разные партии.
8.2.2 Требования к изготовлению
Все корпусированные СД, проходящие квалификацию, должны быть изготовлены на оборудовании и по технологии того производственного участка, который будет использован для обеспечения поставок корпусированных СД в запланированных объемах.
8.2.3 Требования к предварительным и заключительным проверкам
Электрические и световые параметры (прямое напряжение, световой поток или мощность излучения и/или сила света, цветовой параметр) должны быть измерены при нормальных условиях испытаний, указанных в спецификации на изделие, до и после испытаний на воздействие внешних факторов (см. также 8.6.1).
Примечание — Проверка на наличие/отсутствие света для оценки результатов испытаний при различных температурах — в стадии рассмотрения.
Все корпусированные СД, используемые для квалификации, должны удовлетворять требованиям к параметрам, установленным в спецификации на изделие, при измерении в нормальных условиях испытаний до проведения испытаний на воздействие внешних факторов.
8.2.4 Сборка корпусированных СД на испытательных панелях
Может потребоваться сборка корпусированных СД на испытательных панелях. Испытательную панель, соединительный материал и технологический процесс должен выбрать изготовитель. Выбор испытательной панели, соединительного материала и технологического процесса должен быть зафиксирован для каждого испытания в протоколе испытаний.
8.2.5 Предварительная выдержка в условиях повышенной влажности
Предварительная выдержка в условиях повышенной влажности применима к приборам с монтажом на поверхности, предназначенным для пайки расплавлением дозированного припоя. Все корпусированные СД, проходящие квалификацию, используемые для следующих испытаний:
— на циклическую температуру по 8.6.4;
— на продолжительность горения в условиях высокой температуры и влажности по 8.6.5;
— на циклическую температуру при питании от сетей по 8.6.6,
должны быть подвергнуты предварительной выдержке в условиях повышенной влажности (MP выдержка) согласно JESD22-A113F. Начальную проверку электрических и световых параметров согласно 8.6.1 проводят после предварительной выдержки в условиях повышенной влажности.
8.2.6 Проверка теплового сопротивления
Проверку теплового сопротивления (TR) проводят согласно JESD51-50, JESD51-51, JESD51-52 и JESD51-53. Регистрируют результирующее
и мощность оптического излучения корпусированного СД для расчета
.
8.3 Определение критериев отказа
Корпусированный СД считают отказавшим при любом из следующих критериев:
— значение прямого напряжения
при номинальном прямом токе
отклоняется от начального значения более чем на ±10%;
— значение мощности излучения, или светового потока, или силы света при номинальном прямом токе
отклоняется от начального значения более чем:
на ±20% или ±30% (по выбору изготовителя),
±50% (может быть принято в некоторых случаях для целей внутреннего освещения, например в случае корпусированных СД для комбинации приборов, устанавливаемой на автомобилях);
— координаты цветности
,
при номинальном прямом токе
у белого светодиода отклоняются более чем на ±0,01 от начального значения. Допускаемое отклонение для светодиода насыщенных цветов — в стадии рассмотрения;
— внешне заметны физические повреждения корпусированного СД, относящиеся к испытанию на воздействие окружающей среды (например, расслаивание). Однако если отказ произошел из-за неправильного обращения или электростатического разряда и изготовитель и пользователь согласны с этой причиной, то отказ не засчитывают, но информацию о нем приводят в протоколе испытаний как часть отчетных данных об испытании. Используют микроскоп с увеличением от 40 до 50 крат.
Отказы в соединениях с испытательной панелью или в самой испытательной панели, не связанные с отказом корпусированного СД, не засчитывают, но информацию о них приводят в протоколе испытаний как часть отчетных данных об испытании.
8.4 Выбор условий испытаний
Изготовитель должен выбрать конкретный класс сохранения светового потока в соответствии с 8.3 до проведения квалификационных испытаний. Применяют соответствующий критерий отказа/успешности испытаний.
Кроме того, изготовитель должен сделать выбор между различными классами условий испытаний, если необходимо (например, между условиями цикла 1-4 при испытании на термоциклирование по 8.6.4). Условие испытания должно быть отражено в протоколе испытаний.
В общем случае может быть принято, что если испытание успешно выдержано при более жестких условиях, то это означает, что оно будет успешно выдержано и при более мягких условиях. Например, если испытание на термоциклирование успешно выдержано при условии 3, то это означает, что оно будет успешно выдержано и при условиях 1 и 2.
8.5 Критерии прохождения квалификации/переквалификации
Все испытуемые корпусированные СД должны выдерживать испытания, в противном случае корпусированный СД или серию корпусированных СД считают не прошедшими квалификацию/переквалификацию.
В отношении корпусированных СД, несоответствующих критериям приемки по настоящему стандарту, поставщик должен определить причину отказа и меры по ее устранению, гарантировать пользователю, что механизм отказа понят и взят под контроль, и подтвердить эффективность предпринятых корректирующих и предупредительных мер путем успешного повторения квалификационных испытаний.
8.6 Определение квалификационных испытаний
8.6.1 Предварительные и заключительные проверки электрических и световых параметров
До и после указанных ниже испытаний (кроме испытаний по 8.6.2 и 8.6.10) у всех корпусированных СД измеряют следующие параметры при номинальном прямом токе для проверки соответствия их требованиям соответствующей спецификации (листа с параметрами) на корпусированные СД:
— световой поток, или мощность излучения, или силу света (в зависимости оттого, что требуется);
— прямое напряжение;
— координаты цветности или доминирующую или пиковую длину волны (в зависимости от того, что требуется).
Примечание — Выбор между доминирующей и пиковой длинами волн — в стадии рассмотрения.
Кроме того, должно быть измерено прямое напряжение при минимальном (или меньшем) и максимальном прямом токе.
8.6.2 Предварительный и заключительный внешний осмотр
Конструкция, маркировка и качество изготовления корпусированного СД должны быть проверены внешним осмотром (EV) согласно JESD22-B101B до и после проведения указанных ниже испытаний (кроме испытания по 8.6.10).
8.6.3 Испытание на продолжительность горения при работе в условиях высокой температуры (HTOL-испытание)
Цель данного испытания — оценить характеристики корпусированного СД при воздействии высокой температуры во время его работы. Испытание проводят согласно JESD22-A108D при следующих условиях.
Длительность — 1000 ч.
Если ограничение по условиям работы не требуется, то испытание проводят:
— при
85°С и максимальном прямом токе;
— максимальной заданной
и соответствующем максимальном расчетном значении прямого тока. Если ограничение по условиям работы требуется, то испытание проводят:
— при максимальном прямом токе и соответствующем максимальном расчетном значении
;
— максимальной заданной
и соответствующем максимальном расчетном значении прямого тока.
8.6.4 Испытание на термоциклирование (TMCL-испытание)
Цель данного испытания — оценить характеристики корпусированного СД при воздействии температурных циклов, когда светодиод не работает. Испытание проводят согласно JESD22-A104D при следующих условиях:
— длительность — 1000 циклов;
— режим погружения — 4 (минимальное время погружения 15 мин).
Минимальное и максимальное значения температуры
выбирает изготовитель согласно следующим условиям:
— TMCL условие 1:
-40°С,
85°С;
— TMCL условие 2:
-40°С,
100°C;
— TMCL условие 3:
-40°C,
110°C;
— TMCL условие 4:
-40°C,
125°C.
Изготовитель выбирает условие наиболее близкое к диапазону рабочих температур согласно спецификации (листу с параметрами) на корпусированные СД, если не желает применять более жесткие условия. Выбранное условие и время переноса должны быть зафиксированы в протоколе испытаний.
8.6.5 Испытание на продолжительность горения при работе в условиях высокой температуры и влажности (WHTOL-испытание)
Цель данного испытания — оценить характеристики корпусированного СД при воздействии температуры и влажности во время работы в установившемся режиме. Испытание проводят согласно JESD22-A101C при следующих условиях:
— длительность — 1000 ч;
—
85°C;
— относительная влажность воздуха — 85%;
— питание в циклическом режиме — 30 мин включено/30 мин выключено.
Испытание выполняют при соответствующих минимальном и максимальном расчетных значениях прямого тока (то есть соответствующих номинальному значению прямого тока при
85°С).
8.6.6 Испытание на термоциклирование во включенном состоянии (PTMCL-испытание)
Цель данного испытания — оценить характеристики корпусированного СД при воздействии температурных циклов во время его работы. Испытание проводят согласно JESD22-A105C при следующих условиях:
— длительность — 1000 температурных циклов;
— питание в циклическом режиме — 5 мин включено/5 мин выключено при соответствующем максимальном расчетном значении прямого тока.
Изготовитель должен выбрать один из следующих видов испытания:
— PTMCL условие 1:
от минус 40°С до плюс 85°С (условие испытания А согласно JESD22-А105С);
— PTMCL условие 2:
от минус 40°С до плюс 105°С (время переноса и время выдержки по условию испытания А согласно JESD22-A105C);
— PTMCL условие 3:
от минус 40°С до плюс 125°С (условие испытания В согласно JESD22-А105С).
Изготовитель выбирает условие наиболее близкое к диапазону рабочих температур согласно спецификации (листу с параметрами) на корпусированные СД, но может применять более жесткие условия. Выбранное условие должно быть зафиксировано в протоколе испытаний.
8.6.7 Испытание на электростатический разряд с использованием модели человеческого тела (ESD-HBM-испытание)
Цель данного испытания — оценить характеристики корпусированного СД при воздействии электростатического разряда, воспроизводимого по модели человеческого тела. Испытание проводят в соответствии c ANSI/ESDA/JEDEC JS-001-2012.
8.6.8 Испытание на электростатический разряд с использованием модели механического устройства (ESD-MM-испытание)
Цель данного испытания — оценить характеристики корпусированного СД при воздействии электростатического разряда, воспроизводимого по модели механического устройства. Испытание проводят в соответствии с JESD22-A115C.
8.6.9 Разрушающий физический анализ (DPA-испытание)
Цель данного испытания — оценить способность внутренних материалов, конструкции и качества изготовления корпусированного СД противостоять силам, вызываемым различными внешними факторами, возникающими при испытаниях на воздействие окружающей среды.
Испытание проводят в соответствии с приложением J на образцах, отобранных случайным образом из числа образцов, выдержавших PTMCL-испытание, WHTOL-испытание, а также испытания на воздействие сероводорода и на коррозию в среде текущей газовой смеси (два образца из выборки). Заключительные проверки электрических и световых параметров этих образцов выполняют до проведения разрушающего физического анализа.
8.6.10 Проверка физических размеров (PD-испытание)
Проверяют размеры согласно чертежу корпусированного СД.
8.6.11 Испытание на вибрацию переменной частоты (VVF-испытание)
Цель данного испытания — оценить характеристики корпусированного СД при воздействии механической вибрации переменной частоты. Испытание проводят в соответствии с JESD22-В103В.
Используют постоянное виброперемещение 1,5 мм (двойная амплитуда) в диапазоне 20-100 Гц и постоянное пиковое значение виброускорения 200 м/с
в диапазоне от 100 Гц до 2 кГц.
8.6.12 Испытание на механический удар (MS-испытание)
Цель данного испытания — оценить характеристики корпусированного СД при воздействии механического удара. Испытание проводят в соответствии с JESD22-B110B при следующих условиях:
— значение пикового ударного ускорения — 15000 м/с
, длительность ударного импульса — 0,5 мс;
— пять ударов в каждом из шести направлений (в двух противоположных направлениях вдоль каждой из трех взаимно перпендикулярных осей, то есть 30 ударов).
Данное испытание не применяют, если проволочные соединения отлиты.
8.6.13 Испытание на теплостойкость при пайке волной припоя (RSH-TTW-испытание)
Цель данного испытания — оценить характеристики корпусированного СД при воздействии тепла, возникающего при пайке. Испытание проводят в соответствии с JESD22-B106D.
Данное испытание применяют к корпусированным СД, по заявлению изготовителя способным выдерживать пайку волной припоя.
8.6.14 Испытание на теплостойкость при пайке расплавлением дозированного припоя (RSH-reflow-испытание)
Цель данного испытания — оценить характеристики корпусированного СД при воздействии тепла, возникающего при пайке. Испытание проводят в соответствии с JESD22-A113F или ANSI/IPC/ECA J-STD-002C.
Пайку расплавлением дозированного припоя выполняют три раза при 260°С. Измерения по 8.6.1 проводят до и после каждого оплавления.
Данное испытание применяют к корпусированным СД, предназначенным для пайки расплавлением дозированного припоя.
8.6.15 Испытание на способность к пайке (SO-испытание)
В стадии рассмотрения.
8.6.16 Испытание на тепловой удар (TMSK-испытание)
Цель данного испытания — оценить характеристики корпусированного СД при воздействии теплового удара. Испытание проводят в соответствии с JESD22-A106B при следующих условиях:
— длительность — 1000 циклов;
— TMSK условие цикла 1:
-40°С,
85°С;
— TMSK условие цикла 2:
-40°С,
125°С;
— из жидкости в жидкость.
Изготовитель выбирает условие цикла, наиболее близкое к диапазону рабочих температур согласно спецификации (листу с параметрами) на корпусированные СД, если не желает применять более жесткие условия. Выбранное условие должно быть зафиксировано в протоколе испытаний.
8.6.17 Испытание на воздействие сероводорода (
-испытание)
Стойкость к сероводороду проверяют согласно МЭК 60068-2-43 при следующих условиях испытания:
— температура воздуха — 40°С;
— относительная влажность воздуха — 90%;
— концентрация сероводорода (
) — от 10·10
до 15·10
;
— длительность — 336 ч.
8.6.18 Испытание на продолжительность горения при работе в импульсном режиме (PLT-испытание)
Цель данного испытания — оценить характеристики корпусированного СД при работе в импульсном режиме. Испытание проводят в соответствии с JESD22-A108D при следующих условиях:
— длительность — 1000 ч;
—
55°C;
— длительность импульса — 100 мкс, коэффициент заполнения — 3%.
Корпусированный СД должен работать при соответствующем максимальном расчетном значении прямого тока.
8.6.19 Испытание на воздействие от выпадения росы (DEW-испытание)
Цель данного испытания — оценить характеристики корпусированного СД при воздействии от выпадения росы. Испытание проводят в соответствии с JESD22-A100C.
Корпусированный СД подвергают периодически изменению температуры от 30°С до 65°С. Температуру 65°С поддерживают от 4 до 8 ч с последующим понижением до 30°С. Этот цикл повторяют в течение 1008 ч в испытательной камере при относительной влажности воздуха от 90% до 98%.
В течение этого испытания не допускается подавать напряжение смещения.
8.6.20 Испытание на коррозию в среде текущей газовой смеси (FMGC-испытание)
Стойкость к воздействию коррозионно-активной газовой среды проверяют согласно МЭК 60068-2-60 при следующих условиях испытания:
— метод испытания — 4;
— температура воздуха — 25°С;
— относительная влажность воздуха — 75%;
— концентрация сероводорода (
) — 10·10
;
— концентрация двуокиси азота (
) — 200·10
;
— концентрация хлора (
) — 10·10
;
— концентрация сернистого газа (
) — 200·10
;
— длительность — 500 ч.
Приложение А (обязательное). Методы испытания ламп накаливания на продолжительность горения
А.1 Отжиг
Лампы накаливания подвергают отжигу при испытательном напряжении приблизительно в течение 1 ч. Для ламп накаливания с двумя телами накала каждое тело накала отжигают отдельно. Лампы накаливания, вышедшие из строя во время отжига, при подсчете результатов испытания не учитывают.
А.2 Испытательное напряжение
Измерения проводят при испытательном напряжении постоянного тока или переменного тока частотой от 40 до 60 Гц, указанном в разделе 5.
В случае незаменяемых ламп накаливания (по МЭК 60809) лампа накаливания должна работать при испытательном напряжении, указанном в соответствующем листе с параметрами. Если используют электронный регулятор с широкой импульсной модуляцией, то эта незаменяемая лама не должна негативно влиять на продолжительность горения лампы накаливания.
Примечание — Испытательное напряжение считают стабильным, если его мгновенное колебание не превышает 1%, а отклонение от среднего значения за испытательный период не превышает 0,5% заданного значения.
А.3 Рабочее положение и рабочие условия
Лампы накаливания испытывают на испытательном стенде при отсутствии вибрации, при этом ось лампы и тело(а) накала должны находиться в горизонтальном положении. У ламп с двумя телами накала экран должен находиться под телом накала ближнего света (линия Н-Н по горизонтали). У ламп с осевым телом накала более длинная поддержка тела накала должна находиться над телом накала.
Лампы испытывают при нормальной температуре окружающей среды (25±10)°С.
А.4.1 Лампы с одним телом накала
А.4.1.1 Лампы накаливания для непрерывной работы
Лампы выключают дважды в сутки на время не менее 15 мин. Это время не входит в продолжительность горения лампы.
А.4.1.2 Лампы накаливания для прерывистой работы
Лампы накаливания для прерывистой работы, используемые как стоп-лампы и мигающие указатели поворотов, должны работать по следующему циклу:
— 15 с лампа включена: прерывистая работа (мигание);
— 15 с лампа выключена;
— частота мигания: 90 миганий в минуту;
— отношение включено/выключено 1:1.
Время работы при мигании входит в продолжительность горения.
А.4.2 Лампы с двумя телами накала для фар
Тела накала должны работать попеременно по следующему циклу, начиная с тела накала ближнего света:
— тело накала ближнего света: 15 ч включено, 45 мин выключено;
— тело накала дальнего света: 7,5 ч включено, 45 мин выключено.
Достижение продолжительности горения определяют по перегоранию любого тела накала.
Периоды выключения не входят в продолжительность горения лампы.
Примечание — Продолжительность горения тела накала ближнего света составляет 2/3, а продолжительность горения тела накала дальнего света — 1/3 суммарной продолжительности горения.
А.4.3 Лампы с двумя телами накала для светосигнального оборудования
А.4.3.1 Общие положения
Испытание на продолжительность горения проводят на каждом теле накала отдельно. Испытание на продолжительность горения тела накала малой мощности проводят на одних лампах, а тела накала большой мощности — на других.
А.4.3.2 Тело накала для непрерывной работы
Используют цикл переключений по А.4.1.1.
А.4.3.3 Тело накала для прерывистой работы
Используют цикл переключений по А.4.1.2.
А.5 Сохранение светового потока и сохранение цвета
Испытания прерывают для определения сохранения светового потока и сохранения цвета.
Приложение В (обязательное). Испытания на вибрацию
В.1 Общие положения
Испытания предназначены для подтверждения того, что лампы, выдержавшие испытания, будут противостоять разрушающему воздействию механического удара и вибрации в нормальных условиях эксплуатации.
Определены два вида испытаний: «нормальное испытание» и «испытание, соответствующее работе в жестких условиях эксплуатации». Их выбирают в зависимости от предполагаемого характера использования транспортного средства.
Уровни виброускорения и диапазоны частот, применяемые при этих испытаниях, основаны на исследованиях характеристик, полученных опытным путем при установке ламп на различных транспортных средствах в нормальных условиях эксплуатации.
Нормальные испытания соответствуют нормальным условиям эксплуатации транспортных средств, но исследования показывают, что для транспортных средств, работающих в жестких условиях эксплуатации, необходимы лампы с большей механической прочностью.
При соблюдении требований к размерам и световым параметрам прочность лампы обеспечивается свойствами материала тела накала, что ограничивает механическую нагрузку, которой может быть подвергнута лампа.
Повышенные уровни вибрации могут ухудшать эксплуатационные характеристики ламп.
Установлены два метода испытаний:
a) на широкополосную случайную вибрацию (ШСВ);
b) на узкополосную случайную вибрацию (УСВ).
Испытание на ШСВ предпочтительнее, так как имитацию условий эксплуатации можно достигнуть наиболее точно при применении оборудования, генерирующего ШСВ. Однако исследования показывают, что существует зависимость между ШСВ и УСВ. Для настоящего стандарта оба испытания являются равноценными для ламп.
Анализ результатов измерений вибраций, возникающих при закрытии дверцы, багажника и капота, показывает их совпадение с основными характеристиками ШСВ и УСВ, указанными в программах испытаний.
Для подтверждения продолжительности горения при усталостных нагрузках число циклов нагрузки равно 107 согласно МЭК 60068-2-6.
Измерения характеристик вибрации и механического удара в условиях эксплуатации показывают наличие частот до 20000 Гц.
Уровень вибрации определен спектральной плотностью ускорения (СПУ). Она является переменной величиной и выражается в единицах ускорения в квадрате на единицу частоты.
Спектр СПУ определяет ход изменения СПУ в пределах частотного диапазона.
Однако уровни СПУ при частотах более 1000 Гц являются незначительными, так как резонансные частоты критических частей конструкции большинства автомобильных ламп находятся в пределах 200-800 Гц. Учитывая данное обстоятельство, а также проблемы с расчетом арматуры, пригодной для работы при частотах выше этого уровня, в программах испытаний наибольшее предельное значение частоты берут равным 1000 Гц (исключая половину ширины полосы).
В.2.1 Общие положения
На рисунке В.1 представлена предпочтительная схема расположения оборудования для испытаний ламп на ШСВ или УСВ.
Для обеспечения надежных и воспроизводимых результатов испытаний применяют следующий порядок проведения испытаний.
В.2.2 Монтаж (см. МЭК 60068-2-47)
Цоколи ламп должны быть прочно закреплены в рабочих патронах на вибрационном стенде. Это может быть достигнуто зажатием, пайкой или креплением. Электрическое соединение с лампами выполняют через припаянные провода или другим способом, но оно должно быть надежным в течение всего испытания.
Для испытаний на более высоких частотах платформу рассчитывают таким образом, чтобы траектория распространения (расстояние между лампой и подвижной катушкой) была короче одной четверти длины волны для скорости звука в материале платформы.
Рисунок В.1 — Рекомендуемая компоновка оборудования для испытаний на вибрацию

Рисунок В.1 — Рекомендуемая компоновка оборудования для испытаний на вибрацию
В.2.3 Точки измерения
Точка измерения — место, в котором проводят измерения для проверки соответствия требованиям испытания. Точка измерения должна находиться на платформе по возможности как можно ближе к месту крепления лампы, а приемник должен быть прочно соединен с ней.
Если на одной платформе монтируют несколько ламп, то точка измерения может быть отнесена скорее к платформе, чем к точкам крепления лампы.
Резонансная частота полностью загруженной платформы должна быть выше наибольшей испытательной частоты.
В.2.4 Контрольная точка
Сигнал от датчика, смонтированного в точке измерения, используют для поддержания заданных характеристик вибрации.
В.2.5 Выдержка
Лампы накаливания должны быть подвергнуты отжигу в течение 30 мин при испытательном напряжении, указанном в соответствующих листах с параметрами МЭК 60809 или в соответствующих листах с параметрами незаменяемых ламп накаливания. Разрядным лампам отжиг не требуется, но те лампы, у которых отказ произошел до начала испытаний на вибрацию, должны быть исключены из результатов испытаний.
В.2.6 Ось вибрации
Измерения на транспортных средствах в условиях эксплуатации показывают, что автомобильные лампы обычно подвержены большим нагрузкам в вертикальной плоскости, чем в горизонтальных плоскостях. В связи с этим рекомендуется применять вертикальное направление для воздействия вибрации при испытаниях, при этом основную ось лампы и тело(а) накала располагают горизонтально.
В.2.7 Испытание на ШСВ. Основное движение
Основное движение контрольной точки на испытательной платформе (см. рисунок В.1) должно быть прямолинейным и иметь случайный характер с нормальным (Гауссовским) распределением мгновенных значений ускорения. Пиковые значения ограничены трехкратным среднеквадратическим значением, как определено формой кривой СПУ и ее частотным диапазоном (то есть имеет место 3
-перекрытие). Опыт показывает, что пиковый коэффициент 2,3, установленный на генераторе, соответствует испытательному сигналу с 3
-перекрытием в контрольной точке из-за фильтрации вибратором (см. ИСО 5344).
В.3.1 Общие положения
Для ламп накаливания испытательное напряжение должно соответствовать МЭК 60809 или листам с параметрами для незаменяемых ламп накаливания. Для разрядных ламп применяют условия по D.2 приложения D.
Специфические условия испытаний на вибрацию указаны в таблице В.1.
Таблица В.1 — Испытания на вибрацию ламп для моторных транспортных средств
В.3.2 Испытания на узкополосную случайную вибрацию
Таблица В.2 — Испытание на вибрацию ламп для моторных транспортных средств
|
|
|
|
|
|
|
0,12 g 0,014 g |
|
Таблица В.3 — Испытание на вибрацию ламп для моторных транспортных средств
Условия испытания, соответствующего работе в жестких условиях эксплуатации
|
|
|
|
|
|
|
0,36 g 0,09 g |
|
В.3.3 Испытания на широкополосную случайную вибрацию
Требования к испытаниям приведены в таблице В.4 для нормальных условий эксплуатации.
Требования к испытаниям для жестких условий эксплуатации находятся в стадии рассмотрения.
Таблица В.4 — Испытание на вибрацию ламп для моторных транспортных средств
Приложение С (обязательное). Испытание стеклянной колбы на прочность
С.1 Общие положения
При необходимости применяют испытание, указанное в настоящем приложении, для определения прочности стеклянных колб некоторых ламп накаливания для дорожных транспортных средств.
Данное испытание необходимо для ламп накаливания из-за воздействия механических нагрузок, которым они подвергаются при установке в оборудование.
С.2 Испытательное оборудование и методика проведения испытания
С.2.1 Принцип действия испытательной установки (см. рисунок С.1)
Рисунок С.1 — Схематическое изображение испытательной установки

Рисунок С.1 — Схематическое изображение испытательной установки
Испытательная установка состоит в основном из следующих частей:
— пневматического цилиндра, создающего необходимое усилие;
— двух пластинок, передающих усилие на испытуемый образец;
— измерительного прибора, указывающего прилагаемое усилие.
С.2.2 Условия испытания
На данной установке испытывают колбы диаметром более 50 мм. Испытание проводят путем постепенного возрастания сдавливающего усилия. Колбы не следует подвергать ударной нагрузке.
Усилие должно возрастать от 0 до 200 Н в течение 4-5 с почти прямолинейно.
Ограничение наибольшего усилия установки значением 200 Н должно быть обеспечено предохранительным клапаном сжатия. В установке должен быть предусмотрен соответствующий предохранительный экран для предотвращения травм от осколков стекла при разрушении колбы во время испытания.
С.2.3 Требования к пластинкам
Каждая пластинка должна быть изготовлена из закаленной инструментальной стали и иметь ровную гладкую поверхность диаметром около 20 мм. Твердость пластинок должна составлять от 55 до 60 HRC.
С.3 Требования
Прочность колбы на сдавливание должна быть не менее значений, указанных в таблице С.1, принимая за основу приемлемый уровень качества AQL 1%.
Таблица С.1 — Прочность на сдавливани
|
|
|
С.4.1 Общие положения
Применяют один из следующих методов.
С.4.2 Оценка по качественному признаку
На испытательной установке выставляют наименьшее усилие, указанное в таблице С.1. Первую выборку из партии отбирают случайным образом, число отбираемых образцов
определяют по объему партии (см. таблицу С.2). Число разрушенных колб сравнивают с приемочным и браковочным числами. Если решение не принимают, то испытывают вторую выборку
в соответствии с таблицей С.2.
Таблица С.2 — Контроль по качественному признаку. Двухступенчатый план выборочного контроля
|
|
|
|
|
|
|
|||
|
|
|||
|
|
|||
|
|
|||
|
Примечание — Если отбирают вторую выборку, то сравнивают число разрушенных ламп накаливания в объединенной выборке с приемочным и браковочным числами в соответствующей строке. |
|||
Данное выборочное испытание по качественному признаку соответствует МЭК 60410.
С.4.3 Оценка по количественному признаку
Объем выборки, отбираемой случайным образом, определяют по объему партии в соответствии с таблицей С.3.
Каждую лампу накаливания испытывают до разрушения и регистрируют значение усилия, при котором оно происходит.
Результат оценивают следующим образом.
Нижнюю статистику качества
рассчитывают по формуле
где
— среднее арифметическое значение всех результатов в выборке;
— выборочное стандартное отклонение.
где
— значения единичных результатов;
— число результатов.
Испытание успешно выдержано, если
, где
— контрольный норматив, определяемый по таблице С.3.
Таблица С.3 — Контроль по количественному признаку.
-метод оценки
|
|
|
|
|
1 Статистическая основа данного метода предполагает, что распределение результатов нормальное или близкое к нему. 2 Испытания на нормальность можно провести, используя графики распределения вероятностей по ИСО 2854. 3 Данное испытание по количественному признаку соответствует ИСО 3951. |
||
Приложение D (обязательное). Методы испытаний разрядных ламп на продолжительность горения и сохранение светового потока
D.1 Отжиг
Отжиг не требуется, но лампы, отказавшие до начала испытаний на продолжительность горения, исключают из результатов испытаний.
У ламп, испытываемых на сохранение светового потока, начальный световой поток измеряют после 10 циклов переключений в соответствии с D.4.
D.2 Схема испытания и испытательное напряжение
Разрядные лампы испытывают с ПРА, предоставленным изготовителем и рассчитанным на работу лампы в системе номинального напряжения 12 В. Испытательное напряжение ПРА должно составлять 13,5 В. Источник питания ПРА должен быть достаточной мощности, для того чтобы обеспечивать большой ток.
D.3 Положение горения и рабочие условия
Разрядные лампы должны работать на открытом воздухе при температуре окружающей среды (25±5)°С. Положение горения должно быть горизонтальным в пределах 10°, токовым выводом вниз.
Следует соблюдать предосторожность во избежание потенциальной опасности от высоких напряжений, УФ-излучения и риска повреждения колбы при зажигании, разгорании и работе некоторых типов разрядных ламп.
D.4 Цикл переключений
Каждый цикл переключений состоит из 10 периодов включения-выключения (см. таблицу D.1).
Таблица D.1 — Цикл переключений
|
|
|
|
Полная длительность одного цикла переключений составляет 120 мин, в течение которых лампа включена на 79,8 мин и выключена на 40,2 мин. Время, в течение которого лампа выключена, не считают частью продолжительности горения.
Испытания на продолжительность горения прерывают для проверки сохранения светового потока.
D.5 Сохранение светового потока
Сохранение светового потока измеряют после работы лампы в течение 75%-ной характеристической продолжительности горения, заявленной изготовителем.
Приложение Е (обязательное). Испытание колбы на прогиб
Е.1 Общие положения
Испытание, указанное в настоящем приложении, проводят при необходимости для определения прочности соединения колбы с цоколем у разрядных ламп.
Е.2 Испытательная установка и методика проведения испытания
Испытательная установка схематично показана на рисунке Е.1.
Рисунок Е.1 — Схема испытательной установки

Рисунок Е.1 — Схема испытательной установки
Лампу горизонтально и жестко монтируют на арматуре (см. рисунок Е.1) базовым пазом вверх. К стеклянной колбе прикладывают усилие 18 Н следующим образом:
— на расстоянии от базовой плоскости, равном высоте светового центра лампы;
— перпендикулярно базовой оси;
— используя пруток с твердым резиновым сферическим наконечником радиусом не менее 1 мм;
— четыре раза (через каждые 90°), начиная с вертикального направления.
Примечание — Шаг 90° — приблизительный, зависит от положения внешнего питающего провода.
Усилие должно возрастать постепенно от 0 до 18 Н.
Прогиб колбы измеряют на противоположной поверхности стекла через 180° от точки приложения усилия.
Для каждого направления приложения усилия (соответственно углам 0°, 90°, 180° и 270°) используют разные лампы.
Е.3 Требование
Прогиб в направлении приложенного усилия не должен превышать 0,13 мм.
Приложение F (справочное). Руководство по расчету оборудования
F.1 Предельная температура на лопатке
Галогенные лампы (фарные, противотуманные и сигнальные) должны быть рассчитаны таким образом, чтобы при работе температура на лопатке лампы не превышала 400°С.
Для проверки температуры на лопатке необходимы специально подготовленные лампы накаливания, для чего следует обращаться к поставщику ламп.
Примечание — Метод измерения температуры на лопатке — по МЭК 60682.
F.2 Предельная температура на припое
Лампы накаливания (фарные, противотуманные и сигнальные) должны быть рассчитаны таким образом, чтобы при работе температура на припое лампы не превышала следующих пределов:
— 290°С для ламп с одним телом накала;
— 270°С для ламп с двумя телами накала.
F.3 Наибольший контур лампы накаливания
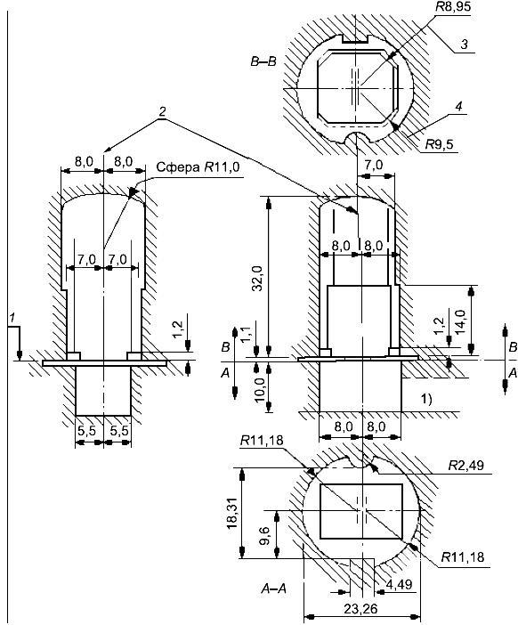
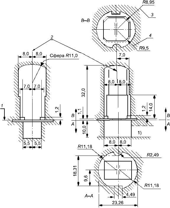
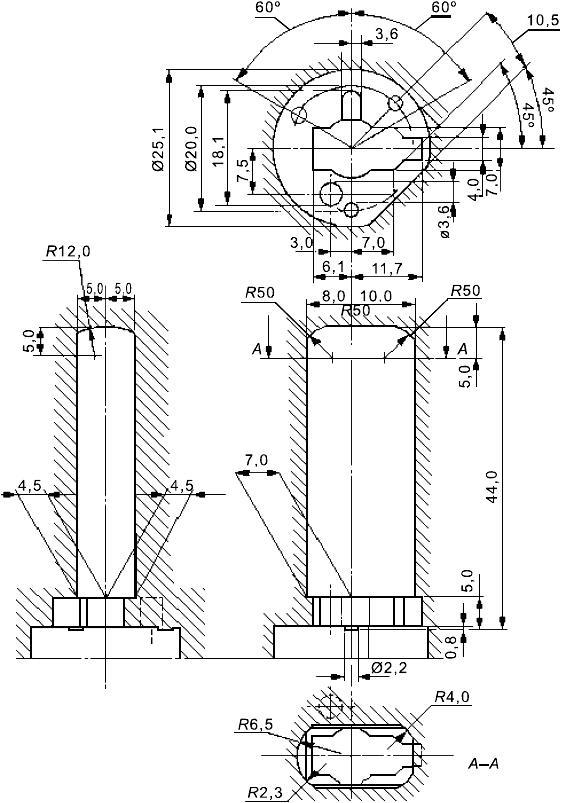
Наибольший контур лампы накаливания предназначен для руководства разработчиков осветительного оборудования, при этом за основу принимают лампу накаливания с наибольшими размерами, включая несоосность и угол между осями колбы и цоколя. Соблюдение этих требований при расчете оборудования обеспечит приемку ламп накаливания по МЭК 60809 в части механической конструкции. Подробности даны на рисунках F.2-F.5.
F.4 Наибольшее импульсное перенапряжение
Значения наибольшего импульсного перенапряжения предназначены для руководства разработчиков электрического оборудования. Их задают наибольшей допустимой длительностью в функции амплитуды выброса напряжения.
Это не означает, что значения менее заданных мало влияют на эксплуатационные характеристики лампы накаливания, а означает, что более высокое напряжение или большая длительность в любом случае отрицательно влияет на лампу накаливания и их следует избегать. Значения в графической форме приведены на рисунке F.1.
F.5 Рекомендации по применению галогенных ламп накаливания
Рекомендуется включать пункты со следующим содержанием в инструкции по эксплуатации, если их поставляют вместе с галогенными лампами накаливания, на которые распространяется настоящий стандарт. В качестве дополнительной или альтернативной информации могут быть использованы символы по Н.2-Н.5 приложения Н.
«Галогенные лампы накаливания работают при высоких температурах на колбе, поэтому всегда следует избегать касания колбы».
«В случае касания лампы накаливания с кварцевой колбой необходимо протереть ее чистой тканью, не оставляющей волокон, смоченной метиловым спиртом, перед использованием».
«Не следует использовать лампы накаливания, если на колбе имеются царапины или другие дефекты».
Примечание — В некоторых случаях изготовители ламп накаливания дают информацию, что лампа накаливания содержит газ под давлением, и рекомендуют принимать защитные меры при обращении с ней.
F.6 Рекомендации по применению разрядных ламп
Рекомендуется включать пункты со следующим содержанием в инструкции по эксплуатации, если их поставляют вместе с разрядными лампами, на которые распространяется настоящий стандарт. В качестве дополнительной или альтернативной информации могут быть использованы символы по Н.2-Н.10 приложения Н.
«Всегда следует избегать касания колбы. Рекомендуется использовать защитные перчатки и средства для защиты глаз. В случае касания колбы необходимо протереть ее чистой тканью, не оставляющей волокон, смоченной метиловым спиртом, перед использованием. Не следует использовать лампы с поцарапанными колбами».
«Разрядные лампы работают с ПРА, которые при включении и работе создают очень высокое напряжение. При работе колба разрядной лампы испускает УФ-излучение. Во избежание риска нарушения безопасности или вреда здоровью разрядные лампы следует использовать только в закрытых фарах».
«Разрядные лампы работают при высоких температурах. Перед извлечением лампы из патрона необходимо отключить ПРА от сети и дождаться остывания лампы».
Рисунок F.1 — Выбросы напряжения для ламп накаливания на 12 В

_______________
Выбросы напряжения наложены на стабилизированное напряжение 14,5 В после горения в течение не менее 30 с. Напряжение, показанное на графике, — это сумма стабилизированного напряжения 14,5 В и выброса напряжения.
Если наибольшая допустимая длительность превышается, то некоторый процент ламп накаливания немедленно выйдет из строя. Результирующее влияние на не вышедшие из строя лампы накаливания — в стадии рассмотрения.
Примечание — Данные для ламп накаливания на 24 В находятся в стадии рассмотрения. Другие подробности, связанные с выбросом напряжения, — в стадии рассмотрения.
Рисунок F.1 — Выбросы напряжения для ламп накаливания на 12 В.
Наибольшая допустимая длительность выброса напряжения в функции его амплитуды
Рисунок F.2 — Наибольшие контуры ламп накаливания категории Н1
Рисунок F.2 — Наибольшие контуры ламп накаливания категории Н1
Рисунок F.3 — Наибольшие контуры ламп накаливания категории Н2
1 — ось круглой части диаметром 3,5 мм; 2 — паз; 3 — контрольное отверстие; 4 — крылышко с контрольным отверстием;
— базовая линия, общая для контрольного отверстия и паза;
— базовая плоскость, содержащая ось контрольного отверстия и перпендикулярная линии
;
— опорная плоскость крылышек
Рисунок F.3 — Наибольшие контуры ламп накаливания категории Н2
Рисунок F.4 — Наибольшие контуры ламп накаливания категории НЗ


_______________
Наибольший контур лампы для прохождения изолированного кабеля и соединительного штекера.
1 — базовая плоскость; 2 — базовая ось; 3 — радиус на расстоянии до 1,2 мм включительно над базовой плоскостью; 4 — радиус на расстоянии свыше 1,2 мм над базовой плоскостью
Рисунок F.4 — Наибольшие контуры ламп накаливания категории НЗ
Рисунок F.5 — Наибольший контур ламп накаливания категорий P21W, PY21W, P21/4W и P21/5W
_______________
* Размер для справок.
Рисунок F.5 — Наибольший контур ламп накаливания категорий P21W, PY21W, P21/4W и P21/5W
Приложение G (справочное). Информация для расчета пускорегулирующего аппарата
В разрядных лампах с несъемным зажигающим устройством используют искровой промежуток для генерирования высоковольтного зажигающего импульса. ПРА должен обеспечивать нижеследующие значения напряжения холостого хода (см. таблицу G.1).
Таблица G.1 — Напряжение холостого хода
|
|
|
Приложение Н (справочное). Символы
Н.1 Общие положения
Настоящее приложение содержит символы, упоминаемые в F.5 и F.6 приложения F.
Высота графических символов должна быть не менее 5 мм, высота букв — не менее 2 мм.
Н.2 Символ, указывающий, что лампы работают при высоких температурах.

Н.3 Символ, указывающий, что следует избегать касания колбы руками.

Н.4 Символ, указывающий, что рекомендуется использовать защитные перчатки.

Н.5 Символ, указывающий, что не следует использовать лампу, если на колбе имеются царапины или другие повреждения.

Н.6 Символ, указывающий, что лампа должна быть выключена перед извлечением из патрона.

Н.7 Символ, указывающий, что рекомендуется применять средства для защиты глаз.

Н.8 Символ, указывающий, что лампа при работе испускает УФ-излучение.

Н.9 Символ, указывающий, что лампа должна работать только в светильнике с защитным экраном.

Н.10 Символ, указывающий на опасное напряжение.
Приложение I (обязательное). Методы испытаний светодиодных источников света на сохранение светового потока
I.1 Старение
СД источники света подвергают старению при испытательном напряжении в течение 48 ч при рабочих условиях по I.3. СД источники света, отказавшие во время старения, исключают из результатов испытаний.
I.2 Испытательное напряжение
Измерения проводят при следующем испытательном напряжении:
— 6,75 В — для изделий на 6 В;
— 13,5 В — для изделий на 12 В;
— 28 В — для изделий на 24 В.
Приложенное напряжение постоянного тока должно быть стабильным.
Если СД источники света работают с электронным УУ то испытательное напряжение подают на входные контактные зажимы УУ. В этом случае в протоколе испытаний указывают выходные параметры электронного УУ, например напряжение, ток, мощность, режим работы и т.д.
Примечание — Испытательное напряжение считают стабильным, если мгновенные колебания не превышают 1%, а отклонение среднего значения за испытательный период — 0,5% заданного значения.
I.3.1 Испытательный стенд
СД источники света должны работать на испытательном стенде без вибраций.
I.3.2 Светодиодные источники света с несъемным устройством теплового регулирования
СД источники света с несъемным устройством теплового регулирования должны быть установлены в камере со следующими характеристиками:
— хорошо перемешиваемый воздух, но без чрезмерной вынужденной конвекции в области источника света;
— температура окружающей среды в камере (25±10)°С.
I.3.3 Светодиодные источники света с внешним устройством теплового регулирования
СД источники света, тепловое регулирование которых обеспечивает светильник/прибор или отдельный теплорегулирующий компонент, должны работать при заданной базовой температуре
. Базовая температура
должна быть указана в протоколе испытаний и заявлена изготовителем как часть данных по сохранению светового потока.
Примечание — Температуру
в течение испытания можно регулировать активными и пассивными методами, например с помощью радиатора, радиатора с охлаждающим вентилятором или охлаждающим элементом Пельтье.
Примеры возможных данных об изделии приведены в таблице I.1.
Таблица I.1 — Примеры возможных данных об изделии
I.4.1 Однофункциональные светодиодные источники света
I.4.1.1 Светодиодные источники света для непрерывной работы
СД источники света выключают дважды ежедневно на время не менее 15 мин. Это время не считают частью продолжительности горения.
I.4.1.2 Светодиодные источники света для прерывистой работы
СД источники света для прерывистой работы, используемые в качестве указателей поворота, должны работать по следующему циклу:
— 115 мин в непрерывном или мигающем режиме в соответствии с режимом эксплуатации;
— 5 мин в выключенном состоянии;
— частота мигания: 90 миганий в минуту; отношение включено/выключено 1:1.
Все время в мигающем режиме считают продолжительностью горения.
I.4.2 Двухфункционапьные светодиодные источники света для фар
Функции должны работать попеременно в соответствии со следующим циклом, начиная с функции ближнего света:
— функция ближнего света — 15 ч включена, 45 мин выключена;
— функция дальнего света — 7,5 ч включена, 45 мин выключена.
Значение продолжительности горения источника света определяют по продолжительности горения вышедшей из строя функции.
Периоды выключений не считают частью продолжительности горения.
Примечание — Работа функции ближнего света составляет 2/3, а функции дальнего света — 1/3 суммарной продолжительности горения.
I.4.3 Многофункциональные светодиодные источники света для светосигнальных приборов
Испытание на сохранение светового потока проводят или на каждой функции по отдельности, или со всеми функциями, работающими одновременно, или с функциями, работающими попеременно.
В случае попеременной работы период включения каждой функции должен составлять не менее 10 ч.
Если для одного и того же СД источника света используют различные рабочие условия для выполнения различных функций (например, регулирование светового потока), то испытания на сохранение светового потока проводят при наиболее неблагоприятных условиях.
В случае СД источников света для непрерывной работы цикл переключений должен соответствовать указанному в I.4.1.1.
В случае СД источников света для прерывистой работы цикл переключений должен соответствовать указанному в I.4.1.2.
I.5 Измерения сохранения светового потока
Испытания прерывают для определения сохранения светового потока.
Измерения сохранения светового потока проводят через регулярные интервалы времени, составляющие не менее 1000 ч.
Для измерения светового потока используют интегрирующий метод. СД источник света должен работать в сухом неподвижном воздухе при температуре окружающей среды (23±5)°С.
СД источники света, тепловое регулирование которых достигается при помощи дополнительных средств, должны работать при заданной эксплуатационной температуре
.
Измерения проводят при достижении стабильного светового потока.
Момент стабильности определяют по изменению светового потока, не превышающему 3% за любой интервал длительностью 15 мин.
I.6 Измерение цвета
Цвет света измеряют с использованием интегрирующего метода во время измерений сохранения светового потока при условиях, указанных в I.5.
Цвет должен быть выражен в координатах Международной комиссии по освещению и находиться в цветовых границах, указанных в МЭК 60809 (2014) (подпункт 4.4.1). [Требования к цвету см. также в Правилах ЕЭК ООН N 48 (пункт 2.28)].
Если цвет света выходит за пределы требований к цвету, то источник света считают отказавшим и испытание на сохранение светового потока прекращают.
Если цвет света создается совместно излучением источника света и вторичной оптикой, то все измерения цвета проводят с использованием вторичной оптики. В этом случае оптические свойства вторичной оптики должны быть указаны в протоколе испытаний.
Приложение J (обязательное). Разрушающий физический анализ корпусированных светодиодов
J.1 Описание
Цель данного испытания — оценить способность внутренних материалов, конструкции и качества изготовления корпусированного СД противостоять силам, вызываемым различными внешними факторами, возникающими при испытаниях на воздействие окружающей среды.
J.2 Оборудование
Необходимо следующее оборудование:
a) оптический микроскоп с увеличением до 50 крат включительно;
b) оборудование для вскрытия корпусированного СД.
J.3 Порядок проведения испытания
Испытания проводят в следующем порядке.
a) Корпусированные СД, отобранные для данного испытания, должны успешно пройти испытание на воздействие окружающей среды по 8.6.4 или 8.6.5 (TMCL-испытание и WHTOL-испытание).
b) Корпусированные СД вскрывают для доступа к кристаллу/подложке и определения наличия механического повреждения. Процесс вскрытия должен гарантировать, что не произойдет деградация выводов и проволочных соединений. Кристалл или подложка должны быть полностью раскрыты и освобождены от материала корпуса.
c) Корпусированные СД осматривают под увеличением до 50 крат включительно на соответствие критериям отказа по J.4.
d) Отказавшие корпусированные СД анализируют для выяснения причины отказа. Отчет по анализу отказов, подтверждающий анализ документально, должен включать в себя все отказы. Если анализ показывает, что отказ вызван вскрытием корпуса, то испытание повторяют на второй группе корпусированных СД.
J.4 Критерии отказов
Корпусированные СД считают отказавшими при обнаружении любого из следующих явных признаков:
a) несоответствия сертификату расчета, конструкции и квалификации корпусированного СД;
b) коррозии, загрязнения, отслаивания или пустот в металлизации;
c) трещин или дефектов кристалла/подложки;
d) дефектов проволочных соединений, присоединения кристалла или соединений контактных зажимов;
e) роста дендритов или электромиграции.
Приложение K (справочное). Информационный лист по испытаниям корпусированных светодиодов
Предмет: Квалификация корпусированных СД по результатам испытаний на воздействие внешних факторов согласно МЭК 60810
|
|
|
|
|
|
|
Визуальные: например, оборван или поврежден корпус или выводы. |
|
|
Заключение: испытанные образцы удовлетворяют требованиям надежности. |
|
Приложение L (обязательное). Матрица повторных испытаний корпусированных светодиодов
Таблица L.1 устанавливает требования к проведению повторных испытаний при внесении изменений в изделие/технологический процесс.
Примечание — Таблица L.1 разработана на основе документа ZVEI.
Таблица L.1 — Матрица повторных испытаний
Продолжение таблицы L.1
Приложение ДА (справочное). Сведения о соответствии ссылочных международных стандартов национальным стандартам Российской Федерации (и действующим в этом качестве межгосударственным стандартам)
Таблица ДА.1
Библиография
МЭК 60068-2-20 Испытания на воздействие внешних факторов. Часть 2-20. Испытания. Испытание Т. Методы испытания на паяемость и стойкость к воздействию нагрева при пайке устройств с соединительными проводами (IEC 60068-2-20, Environmental testing — Part 2-20: Tests — Test T: Test methods for solderability and resistance to soldering heat of devices with leads)
МЭК 60068-2-47 Испытания на воздействие внешних факторов. Часть 2-47. Испытания. Монтаж образцов для испытаний на вибрацию, удар и для подобных динамических испытаний (IEC 60068-2-47, Environmental testing — Part 2-47: Test — Mounting of specimens for vibration, impact and similar dynamic tests)
МЭК 60682 (1980) Стандартный метод измерения температуры лопатки кварцевых вольфрамовых галогенных ламп (IEC 60682:1980, Standard method of measuring the pinch temperature of quartz-tungstenhalogen lamps)
ИСО 2854:1976 Статистическая обработка данных. Методы оценки и проверки гипотез о средних значениях и дисперсиях (ISO 2854:1976, Statistical interpretation of data — Techniques of estimation and tests relating to means and variances)
ИСО 3951:1989 Методы выборочного контроля и карты для контроля по количественным признакам при процентном определении дефектов (ISO 3951:1989, Sampling procedures and charts for inspection by variables for percent non-conforming)
ИСО 5344 Системы электродинамические для воспроизведения вибрации. Рабочие характеристики (ISO 5344, Electrodynamic vibration generating systems — Performance characteristics)
AEC — Q101 Rev С 2005-06 Квалификация автомобильных дискретных полупроводниковых приборов по результатам нагрузочных испытаний (AEC — Q101 Rev С 2005-06, Stress test qualificatio for automotive grade discrete semiconductors)
ICNIRP Guidelines on Limits of Exposure to Ultraviolet Radiation of Wavelengths Between 180 nm and 400 nm (Incoherent Optical Radiation). Health Physics 87 (2): 171-186; 2004.
Правила ЕЭК ООН N 99 Единообразные предписания, касающиеся официального утверждения газоразрядных источников света для использования в официально утвержденных оптических элементах механических транспортных устройств (UN Regulation No. 99, Uniform provisions concerning the approval of gas-discharge light sources for use in approved gas-discharge lamp units of power-driven vehicles)
ZVEI Guideline for Customer Notification of Product and/or Process Changes (PCN) of Electronic Components for Automotive Market; 2013

,

