ГОСТ Р 55677-2013 Оборудование детских спортивных площадок. Безопасность конструкции и методы испытаний. Общие требования
ГОСТ Р 55677-2013 Оборудование детских спортивных площадок. Безопасность конструкции и методы испытаний. Общие требования
НАЦИОНАЛЬНЫЙ СТАНДАРТ РОССИЙСКОЙ ФЕДЕРАЦИИ
ОБОРУДОВАНИЕ ДЕТСКИХ СПОРТИВНЫХ ПЛОЩАДОК
Безопасность конструкции и методы испытаний
Общие требования
Equipment children’s sports grounds. Safety of structure and test methods. General requirements
ОКС 97.220.40
ОКП 96 8960
Предисловие
1 РАЗРАБОТАН Саморегулируемой организацией Некоммерческим партнерством «Отраслевое объединение национальных производителей в сфере физической культуры и спорта «Промспорт» (СРО «Промспорт»)
2 ВНЕСЕН Техническим комитетом по стандартизации ТК 444 «Спортивные и туристские изделия, оборудование, инвентарь, физкультурные и спортивные услуги»
3 УТВЕРЖДЕН И ВВЕДЕН В ДЕЙСТВИЕ Приказом Федерального агентства по техническому регулированию и метрологии от 28 октября 2013 г. N 1282-ст
4 ВВЕДЕН ВПЕРВЫЕ
Правила применения настоящего стандарта установлены в ГОСТ Р 1.0-2012 (раздел 8). Информация об изменениях к настоящему стандарту публикуется в ежегодном (по состоянию на 1 января текущего года) информационном указателе «Национальные стандарты», а официальный текст изменений и поправок — в ежемесячном информационном указателе «Национальные стандарты».
1 Область применения
Настоящий стандарт распространяется на оборудование детских спортивных площадок (далее — оборудование) для детей и подростков. Стандарт устанавливает общие требования безопасности к конструкции оборудования и методы испытаний.
Оборудование не рассчитано на использование детьми в возрасте до трех лет.
Настоящий стандарт не распространяется на оборудование и покрытия детских игровых площадок, на сооружения свободного доступа для пользователей роликовым спортивным оборудованием, на фитнес-площадки, на искусственные конструкции для спортивного лазания и на пляжное оборудование.
2 Нормативные ссылки
В настоящем стандарте использованы нормативные ссылки на следующие стандарты:
ГОСТ Р 52169-2012 Оборудование и покрытия детских игровых площадок. Безопасность конструкции и методы испытаний. Общие требования
ГОСТ 2224-93 Коуши стальные для стальных канатов. Технические условия
ГОСТ 3241-91 Канаты стальные. Технические условия
ГОСТ 19191-73 Талрепы с автоматическим стопорением. Технические условия
ГОСТ 30055-93 Канаты из полимерных материалов и комбинированные. Технические условия
ГОСТ 30188-97 Цепи грузоподъемные калиброванные высокопрочные. Технические условия
ГОСТ 30441-97 (ИСО 3076-84) Цепи короткозвенные грузоподъемные некалиброванные класса прочности Т(8). Технические условия
3 Термины и определения
В настоящем стандарте применены следующие термины с соответствующими определениями:
3.1 детская спортивная площадка: Специально оборудованная территория, предназначенная для сохранения и укрепления здоровья, развития психофизических способностей детей в процессе их осознанной двигательной активности, включающая оборудование и покрытие детской спортивной площадки.
3.2 покрытие детской спортивной площадки: Поверхностный слой детской спортивной площадки с амортизационными свойствами для предотвращения травмирования ребенка при падении.
3.3 зона падения: Пространство внутри, на или вокруг оборудования, в которое попадает ребенок при падении с элемента конструкции оборудования, размещенного над поверхностью детской спортивной площадки (см. рисунок 1).
Рисунок 1 — Зоны оборудования

1 — зона падения; 2 — зона безопасности: 3 — зона приземления
Рисунок 1 — Зоны оборудования
3.4 зона безопасности оборудования: Пространство внутри, на или вокруг оборудования детской спортивной площадки, которое может быть занято пользователем, находящимся в движении, вызванном использованием оборудования (см. рисунок 1).
3.5 зона приземления: Область поверхности детской спортивной площадки, на которую попадает ребенок в результате свободного падения (см. рисунок 1).
3.6 спортивное оборудование: Оборудование, предназначенное для организованной по определенным правилам деятельности и подготовки этой деятельности, направленной на сопоставление физических и интеллектуальных способностей людей.
3.7 безопасность оборудования: Состояние оборудования, когда воздействие на него внешних и внутренних факторов не создает угрозу для жизни и здоровья человека.
4 Требования безопасности
4.1 Материалы
Применяемые материалы выбирают и применяют в соответствии с требованиями соответствующих стандартов.
Примечание — Особое внимание должно быть уделено выбору материалов для оборудования, которое будет эксплуатироваться в экстремальных климатических условиях.
Применяемые материалы:
— должны обеспечивать прочность и устойчивость оборудования с учетом климатических и погодных условий;
— не должны вызывать термических ожогов при контакте с кожей пользователя в климатических зонах с очень высокими или очень низкими температурами.
— должны поддаваться утилизации без токсического риска для окружающей среды.
4.2 Прочность и устойчивость оборудования
4.2.1 Конструктивную прочность оборудования, включая устойчивость, оценивают:
— расчетами по приложениям А и Б;
— физическими (натурными) испытаниями по приложению В;
— комбинацией расчетов и испытаний.
4.2.2 При выполнении расчетов по приложению Б предельные состояния конструкции не должны быть превышены при сочетании нагрузок, указанных в Б.2 (см. приложение Б).
4.2.3 При испытаниях по приложению В в конструкции оборудования не должно возникать трещин, повреждений или чрезмерных остаточных деформаций.
4.2.4 Конструкции оборудования, которые нельзя проверить расчетами или испытаниями, должны иметь несущую способность, достаточную для обеспечения восприятия действующих нагрузок.
4.2.5 Несущую способность однотипного оборудования проверяют для наиболее неблагоприятных сочетаний и мест приложения нагрузок.
4.2.6 При испытаниях конструкций оборудования по приложению В подтверждают способность каждой конструкции воспринимать как постоянные, так и временные нагрузки, действующие на оборудование и его отдельные части.
4.2.7 Аварийные воздействия и вызванные ими нагрузки на оборудование, такие как пожар, землетрясение, столкновения транспортных средств, при расчетах и испытаниях не рассматривают.
4.2.8 Оборудование на усталость не проверяют.
4.2.9 Проверяемые расчетами или испытуемые элементы конструкций должны воспринимать наиболее неблагоприятное сочетание прикладываемых нагрузок. Для этого необходимо рассматривать случаи, когда часть нагрузки, вызывающей благоприятное воздействие, удаляется согласно рисунку 1.
Рисунок 1 — Удаление части нагрузки

Рисунок 1* — Удаление части нагрузки
4.3 Требования к качеству оборудования
Оборудование должно быть изготовлено из нерасщепляющейся древесины, не должно иметь на поверхности дефектов обработки (например заусенцев, задиров, отщепов, сколов и т.п.).
Поверхности оборудования из других материалов (например, из стекловолокна) не должны иметь сколов.
Шероховатые поверхности, способные нанести травму, не допускаются.
В пределах любой досягаемой части оборудования не допускается наличие выступающих элементов (проволока, концы тросов или детали с острыми концами и кромками).
Открытые углы, кромки и края, а также выступающие более 8 мм элементы конструкции любой доступной части оборудования, расстояние от которых до конца выступающей части составляет максимум 25 мм, должны быть скруглены.
Радиус закругления — не менее 3 мм.
Сварные швы должны быть гладкими.
Выступающие концы болтов в пределах любой доступной части оборудования должны быть постоянно закрыты.
Примеры защиты болтовых соединений приведены на рисунке 2.
Рисунок 2 — Защита болтовых соединений

Рисунок 2 — Защита болтовых соединений
4.4 Предотвращение застреваний
4.4.1 Подвижные и/или неподвижные элементы оборудования не должны:
— образовывать сдавливающих или режущих поверхностей:
— создавать возможность застреваний тела, частей тела или одежды ребенка (см. 4.4.2).
4.4.2 Предотвращение застревания головы и шеи
4.4.2.1 Не допускается застревание головы или шеи ребенка при движении головой вперед или при движении ногами вперед:
— в полностью замкнутых отверстиях, в которые может попасть пользователь головой или ногами вперед;
— частично замкнутых отверстиях и V-образных зазорах или щелях;
— в других отверстиях, подвижных отверстиях, зазорах и щелях.
4.4.2.2 Проверка полностью замкнутых отверстий
Доступные полностью замкнутые отверстия, нижняя кромка которых расположена на высоте более чем 600 мм над землей, следует проверять в соответствии с Г.3.1 (см. приложение Г).
Малые тестовые образцы N 1 и N 2 не должны проходить через тестируемое отверстие, кроме случаев, когда через отверстие также проходит большой тестовый образец головы N 3.
Нежесткие части (например, тросы) не должны образовывать отверстия, которые не соответствуют вышеуказанному требованию.
4.4.2.3 Проверка частично замкнутых и V-образных отверстий
Частично замкнутые и V-образные отверстия проверяют в соответствии с Г.3.2 (см. приложение Г).
4.4.2.4 Предотвращение застревания пальцев
Оборудование должно исключать застревания пальцев:
— в зазорах, когда тело пользователя находится в движении;
— трубах с открытыми концами;
— переменных зазорах (за исключением цепей).
Отверстия, нижняя кромка которых расположена на высоте более 1000 мм над игровой поверхностью, должны соответствовать при испытаниях согласно Г.2 (см. приложение Г) следующим требованиям:
— круглый стержень диаметром 8 мм, приведенный на рисунке Г.1 (см. приложение Г), не должен проходить через минимальное поперечное сечение отверстия, и профиль отверстия должен быть таким, чтобы круглый стержень не мог застрять ни в каком положении, если он находится в движении, как показано в Г.2.2 (см. приложение Г); или
— если круглый стержень диаметром 8 мм проходит через отверстие, должен проходить также круглый стержень диаметром 25 мм, приведенный на рисунке Г.2 (см. приложение Г), при условии, что отверстие не делает возможным доступ ни к каким другим местам застревания пальца.
Концы труб должны быть закрыты, чтобы предотвратить опасность застревания пальцев.
Крышки оборудования не должны сниматься без использования инструмента.
Зазоры, размеры которых изменяются во время использования оборудования, должны иметь размер не менее 18 мм в любом положении.
4.5 Защита от травм при движении
Пространство внутри оборудования, на оборудовании или вокруг оборудования, которое может быть занято пользователем, не должно иметь препятствий, неожиданных для пользователя, из-за которых он может получить травму, если ударяется о них (см. рисунок 3).
Рисунок 3 — Примеры неожиданных препятствий

Рисунок 3 — Примеры неожиданных препятствий
4.6 Соединения элементов конструкции
Соединения элементов конструкции должны быть защищены таким образом, чтобы они не могли самостоятельно разъединиться, если только они специально не выполнены с такой целью.
Соединения должны быть защищены таким образом, чтобы их невозможно было разъединить без использования инструмента.
4.7 Изнашивающиеся детали конструкции
Изнашивающиеся детали конструкции или такие детали, замена которых предусмотрена в течение срока службы оборудования, например, подшипники, должны быть съемными.
Съемные детали должны быть защищены от несанкционированного доступа и не требовать ухода.
Выступающие смазочные материалы не должны загрязнять оборудование или оказывать влияние на его безопасное использование.
4.8 Канаты
Канаты из полимерных материалов должны соответствовать требованиям ГОСТ 30055.
4.9 Стальные тросы
4.9.1 Стальные тросы должны соответствовать следующим требованиям:
— быть изготовлены из оцинкованной или коррозийно-стойкой проволоки:
— концы стального каната в опрессованых петлях должны совпадать с краем опрессовки;
— концы стального каната в петлях с зажимами, концы резьб зажимов должны иметь травмобезопасную защиту;
— талреп каната должен быть изготовлен из коррозионно-стойкого материала, иметь опрессованные петли или петли с коушем и зажимами, талреп не должен допускать возможность демонтажа без применения инструмента.
4.9.2 Доступные зажимы троса, из которых концы резьбы выступают более чем на 8 мм, могут применяться только за пределами игровой зоны или должны быть закрыты подходящими средствами.
4.9.3 Коуши должны соответствовать требованиям ГОСТ 2224, а талрепы — требованиям ГОСТ 19191.
4.9.4 Петля с опрессовкой, талреп и петля с коушем и зажимами приведены на рисунке 4.
Рисунок 4 — Опрессованная петля, талреп, петля с коушем и зажимами

1 — петля с опрессовкой; 2 — талреп; 3 — петля с коушем и зажимами
Рисунок 4 — Опрессованная петля, талреп, петля с коушем и зажимами
4.10 Цепи
Цепи должны иметь в любом направлении отверстие не более 8,6 мм, кроме мест соединения, в которых отверстие должно быть более 18 мм или менее 8,6 мм.
Применяемые цепи должны соответствовать требованиям ГОСТ 30188 и ГОСТ 30441.
4.11 Фундаменты
Фундаменты должны быть сконструированы таким образом, чтобы из-за них не возникала никакая опасность (возможность споткнуться, удариться). Должно быть гарантировано, что фундаменты не будут открыты для воздействия эрозии.
Фундаменты сооружают в соответствии с требованиями [1].
4.12 Доступность
Каждая часть оборудования, которая легко доступна пользователю на поверхности, расположенной на высоте более 1000 мм, считается игровой конструкцией и должна соответствовать требованиям ГОСТ Р 52169 (подпункты 4.3.22, 4.3.23, 4.3.23.11, 4.3.25, 4.3.26, 4.3.27).
Если к спортивной площадке примыкает поднятая над поверхностью грунта трибуна или площадка для зрителей, в пределах зоны спортивной площадки не требуется амортизирующее покрытие, если спортивная площадка отделена от трибуны или площадки для зрителей ограждением высотой не менее 2000 мм.
Амортизирующее покрытие устраивают с других сторон трибуны или площадки для зрителей.
Примечание — Ограждение препятствует доступу пользователей к зоне спортивной площадки.
4.13 Съемные элементы
Если оборудование содержит элементы, которые могут быть сняты (например, стойки, сменные части оборудования), все полости и отверстия, которые остаются в поверхности, должны быть закрыты соответствующим способом, так чтобы была обеспечена непрерывность игровой поверхности.
5 Методы испытаний
5.1 Требования безопасности, изложенные в разделе 4, проверяют визуально, органолептически или инструментальными методами.
5.2 Перед испытаниями оборудование должно быть установлено согласно руководству изготовителя в условиях, аналогичных положению при эксплуатации.
5.3 Лабораторные испытания следует проводить при температуре (20±5) °С, после выдержки оборудования как минимум в течение 1 ч при температуре испытаний. При испытаниях на месте температура должна быть занесена в протокол.
5.4 Нормативные нагрузки на конструкцию оборудования, применяемые при расчетах и испытаниях оборудования — по приложению А.
5.5 Натурные испытания несущей способности — по приложению В.
5.6 Испытания на застревание — по приложению Г.
5.7 По результатам испытаний оформляют протокол испытаний, в который заносят следующие данные:
— дату проведения испытаний;
— фамилию, инициалы лица, проводившего испытания;
— ссылку на настоящий стандарт;
— данные относительно условий испытаний (например, температуру окружающей среды);
— подробные сведения относительно испытуемого оборудования (например, классификация, тип, если имеется);
— результаты испытаний.
6 Обозначение и маркировка
6.1 На каждую единицу оборудования на видном и доступном для ознакомления месте наносят маркировку или устанавливают идентификационную табличку, содержащую:
— наименование и адрес изготовителя или продавца;
— год выпуска продукции:
— обозначение настоящего стандарта;
— обозначение соответствующей технической документации.
6.2 Информация, позволяющая идентифицировать конкретное оборудование, должна быть записана в эксплуатационных документах (паспорте).
Приложение А (обязательное). Нормативные нагрузки
Нормативные нагрузки на конструкции оборудования применяют при расчетах и испытаниях оборудования.
А.1.1 К постоянным нагрузкам относят:
— массу конструкции в сборе;
— усилия в предварительно напряженных элементах;
— объем воды, если в состав оборудования включены водные резервуары.
А.1.2 Масса конструкции в сборе
Массу конструкции в сборе определяют на основании конструкторской документации.
А.1.3 Нагрузки в предварительно напряженных элементах
При расчете нагрузок в предварительно напряженных элементах рассматривают их максимальные и минимальные значения.
А.1.4 Нагрузки от воды
При расчетах нагрузок от воды учитывают возможные верхний и нижний уровни воды в резервуаре.
А.2.1 К временным нагрузкам относят:
— нагрузки от пользователей;
— нагрузки от снега;
— нагрузки от ветра;
— температурные нагрузки;
— особые нагрузки (характерные для определенного типа оборудования).
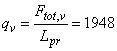
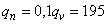
А.2.2 Нагрузки от пользователей
А.2.2.1 Масса пользователей
Общую массу пользователей
, кг, вычисляют по формуле
где
— число пользователей на оборудовании — по А.3;
— средняя масса пользователя в рассматриваемой возрастной группе, кг;
— среднеквадратическое отклонение массы пользователей в рассматриваемой возрастной группе, кг.
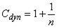
А.2.2.2 Коэффициент динамичности
При расчетах нагрузок используют коэффициент динамичности
, учитывающий дополнительную нагрузку, вызванную перемещением пользователей (бег, игра, и т.д.).
Коэффициент динамичности
вычисляют по формуле
где
— число пользователей по А.3.
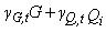
А.2.2.3 Общая вертикальная нагрузка от пользователей
Вертикальную нагрузку от пользователей
, H определяют по формуле
где
— ускорение свободного падения (
10 м·с
);
— общая масса пользователей;
— коэффициент динамичности.
Общие вертикальные нагрузки от пользователей для игровых и физкультурно-оздоровительных площадок, предназначенных для пользователей всех возрастов, приведены в таблице А.1.
Таблица А.1 — Общие вертикальные нагрузки от пользователей
А.2.2.4 Общая горизонтальная нагрузка от пользователей
Общую горизонтальную нагрузку от пользователей
определяют по формуле.
где
— вертикальная нагрузка от пользователей.
Примечание — Эта нагрузка учитывает движение игроков и случайное наклонное положение оборудования.
А.2.2.5 Распределенные нагрузки от пользователей
Принимается, что нагрузка от пользователей распределена равномерно по элементу конструкции.
А.2.2.5.1 Точечные сосредоточенные нагрузки
Точечную сосредоточенную нагрузку
, Н, вычисляют по формуле
где
— сосредоточенная нагрузка, действующая на площадке размерами 0,1х0,1 м
.
Линейные нагрузки
, Н/м, вычисляют по формуле
А.2.2.5.5 Плоскостные нагрузки
Нагрузки на площадку
, Н/м
вычисляют по формуле
А.2.2.5.6 Объемные нагрузки
Объемные нагрузки вычисляют как линейные нагрузки по формуле (А.6) или как плоскостные нагрузки по формуле (А.7) в зависимости от вида детали, которая образует объемную конструкцию.
А.2.3 Нагрузки от снега, ветра, а также температурные и климатические воздействия рассчитывают по [2].
А.2.4 Нагрузки на сиденья
Нагрузку от пользователей на одно сиденье оценивают следующим образом:
— для одного пользователя — рассматривают как сосредоточенную нагрузку (см. А.3.1);
— более одного пользователя — рассматривают как равномерно распределенную нагрузку (см. А.3.2).
А.3 Число пользователей, размещающихся на оборудовании
А.3.1 Число пользователей, размещающихся на оборудовании, рассчитывают для каждого элемента конструкции.
Полученный результат округляют в большую сторону до целого.
А.3.2 Число пользователей, размещающихся на ограниченной поверхности (в одной точке)
Число пользователей
, размещающихся на ограниченной поверхности, равно единице (
1).
Любой элемент оборудования, предназначенный для ходьбы, подъема или для стоящих пользователей, шириной более 0,1 м, с углом наклона менее 30° должен выдерживать нагрузку от одного пользователя.
Это положение действительно также для перекладин, поручней и ступеней.
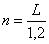
А.3.3 Число пользователей, размещающихся на элементе линейного типа
Число пользователей
, размещающихся на элементе линейного типа, вычисляют по формулам:
— для линейных элементов с углом наклона до 60°
где
— длина проекции линейного элемента на горизонтальную плоскость, м.
— для линейных элементов с углом наклона более 60°
где
— длина линейного элемента, м.
К элементам линейного типа относят например, ступени лестниц, перекладины стремянок, шесты, канаты и т.п.
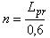
А.3.4 Число пользователей, размещающихся на площадке
Число пользователей
, размещаемых на площадке, вычисляют по формулам:
— для площадки с углом наклона не более 60°
где
— площадь проекции площадки на горизонтальную плоскость, м
.
— для площадки с углом наклона более 60°
где
— площадь, м
.
К площадкам относят платформы, решетчатые платформы, трапы и сетки.
Ширина площадки должна быть более 0,6 м.
Площадку шириной не более 0,6 м рассматривают как элемент линейного типа.
Для оборудования с поверхностями на двух противоположных сторонах (например, сетка, решетка и т.п.) число пользователей
, размещающихся на игровой поверхности оборудования, рассчитывают только для одной стороны.
Приложение Б (обязательное). Расчеты несущей способности
Б.1.1 Каждую конструкцию и элемент конструкции оборудования (соединения, фундаменты, опоры) рассчитывают с учетом сочетания нагрузок согласно Б.4.
Б.1.2 Расчет должен быть основан на общих принципах и определениях метода предельных состояний согласно ГОСТ 27751.
Б.1.3 Расчет следует проводить согласно [3] и [4], а также другими методами при условии обеспечения уровня безопасности оборудования не ниже, чем при использовании метода предельных состояний.
Б.1.4 В общем виде расчет по предельным состояниям описывают зависимостью
где
— коэффициент надежности по нагрузке;
— коэффициент надежности по материалу;
— силовое воздействие от нормативных нагрузок;
— расчетное сопротивление конструкции.
Б.2 Первое предельное состояние
Оборудование детских спортивных площадок рассчитывают по первому предельному состоянию, которое характеризуется разрушением, потерей устойчивости формы (необратимыми чрезмерными деформациями), потерей устойчивости положения (опрокидыванием, смещением).
Б.3 Второе предельное состояние
Второе предельное состояние, характеризующееся потерей эксплуатационной надежности из-за деформаций (прогибов, перемещений элементов конструкций), при расчете оборудования детских игровых площадок не рассматривают.
Б.4 Сочетания нагрузок для статических расчетов
Б.4.1 При расчетах применяют следующее сочетание нагрузок:
где
— постоянная нагрузка в соответствии с А.1 (приложение А);
— одна из временных нагрузок, определенных в А.2.2-А.2.4 (приложение А);
— коэффициент надежности по постоянной нагрузке;
— коэффициент надежности по временной нагрузке.
Б.4.2 При расчетах применяют значения коэффициентов, приведенные в таблице Б.1.
Таблица Б.1
Б.4.3 При испытаниях учтено сочетание взаимосвязанных нагрузок, действующих в различных направлениях, таких как вертикальные и горизонтальные нагрузки от пользователей.
Б.4.4 При испытаниях не учитывают сочетание независимых временных нагрузок (например от ветра и от пользователей).
Б.5 Пример расчета нагрузки от пользователей для ограждения (без учета коэффициента надежности)
Для ограждения, линейного элемента, исследуют два варианта нагрузки, нагрузка от пользователя и нагрузка от ограждения.
Количество пользователей
для одного ограждения рассчитывается по формуле А.8 (приложение А).
Округляем до
2.
Общая вертикальная нагрузка
по таблице А.1 составляет:
Вертикальная рассредоточенная нагрузка на ограждение составляет:
Горизонтальная нагрузка на ограждение составляет:
Горизонтальную нагрузку, действующую на верхнюю часть ограждений, принимают равной 750 Н/м.
Действующую нагрузку 195 Н/м не учитывают.
Приложение В (обязательное). Натурные испытания несущей способности
В.1.1 Испытуемый объект (оборудование) должен выдерживать приложенную испытательную нагрузку в соответствии с Б.2 в течение 5 мин.
В.1.2 После испытаний на испытуемом объекте не должно быть повреждений, в т.ч. трещин, поломок, чрезмерных остаточных деформаций, ослабления соединений и связей.
В.1.3 Остаточные деформации считают недопустимыми, если они приводят к нарушению любого требования настоящего стандарта.
В.2.1 Сочетания нагрузок
При испытаниях несущей способности применяют следующие сочетания нагрузок:
где
— постоянная нормативная нагрузка по А.1 (приложение А);
— одна из временных нормативных нагрузок по А.2.2, А.2.3 (приложение А);
— коэффициент надежности по постоянной нагрузке, используемой при испытаниях:
Примечание —
1 во всех случаях;
— коэффициент надежности по временной нагрузке по В.2.2 (приложение В).
Постоянные нагрузки, действующие в течение всего процесса испытаний, как правило, малы по сравнению с временными нагрузками и применять повышенные коэффициенты надежности по постоянной нагрузке (
1) нет необходимости.
Допускается не учитывать одновременное действие независимых временных нагрузок, например, нагрузки от ветра и нагрузки от пользователей.
Необходимо учитывать взаимосвязанные нагрузки, действующие в различных направлениях, например вертикальные и горизонтальные нагрузки от пользователей.
В.2.2 Коэффициенты надежности по временным нагрузкам
приведены в таблице В.1.
Таблица В.1 — коэффициенты надежности по временным нагрузкам
В.3 Условия приложения нагрузок
В.3.1 Сосредоточенные нагрузки
Размеры области приложения сосредоточенных нагрузок:
— длина области нагружения линейного элемента, в метрах,
0,1;
— площадь области нагружения поверхности, в квадратных метрах
0,1·0,1.
При моделировании нагрузки, создаваемой одним пользователем, нагрузку следует прикладывать на длине не более 0,1 м.
В.3.2 Распределенные нагрузки на линейных элементах
Распределенные нагрузки на линейных элементах могут быть представлены как равномерно распределенные сосредоточенные нагрузки, прикладываемые к конструкции на расстоянии не более 0,6 м друг от друга.
Длина элемента, нагружаемая сосредоточенными нагрузками, может составлять до 0,6 м.
В.3.3 Нагрузки, распределенные по поверхности
Нагрузки, распределенные по поверхности, могут быть представлены сосредоточенными нагрузками, равномерно распределенными по поверхности в виде сетки размерами ячеек не более 0,6х0,6 м.
Площадь, на которой прикладывают точечные нагрузки, должна составлять менее 0,6х0,6 м
.
Приложение Г (обязательное). Испытания на застревание
Г.1 Допустимые отклонения размеров щупов
Допустимые отклонения размеров щупов:
±1 мм — линейных;
±1° — угловых.
Г.2 Испытания на застревание пальцев
Г.2.1 Аппаратура
Стержни-пальцы, применяемые при испытаниях, — в соответствии с рисунками Г.1 и Г.2.
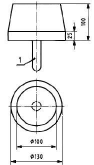
Рисунок Г.1 — Стержень-палец А (малый)

Рисунок Г.1 — Стержень-палец А (малый)
Рисунок Г.2 — Стержень-палец Б (большой)
Рисунок Г.2 — Стержень-палец Б (большой)
Г.2.2 Проведение испытаний
Прикладывают стержень-палец А (малый) к отверстию в испытуемом оборудовании и, если стержень не проходит в отверстие, вращают его, не прилагая усилия, по конической образующей в соответствии с рисунком Г.3.
Рисунок Г.3 — Схема вращения стержня-пальца

Рисунок Г.3 — Схема вращения стержня-пальца
Если стержень-палец А проходит в отверстие в испытуемом оборудовании, то используют стержень-палец Б (большой), вращая его, не прилагая усилий, по конической образующей в соответствии с рисунком Г.3, стержень-палец Б также не должен проходить.
Г.2.2.1 Результаты испытаний заносят в протокол испытаний.
Г.3 Испытания на застревание головы или шеи
Г.3.1 Испытания на застревание в отверстиях оборудования
Г.3.1.1 Аппаратура
Щупы, применяемые при испытаниях, — в соответствии с рисунками Г.4 и Г.5.
Рисунок Г.4 — Щупы (малые) для определения застревания головы или шеи пользователя в отверстиях


Рисунок Г.4 — Щупы (малые) для определения застревания головы или шеи пользователя в отверстиях
Рисунок Г.5 — Щуп В (большой) для определения застревания головы или шеи пользователя в отверстиях
Рисунок Г.5 — Щуп В (большой) для определения застревания головы или шеи пользователя в отверстиях
Г.3.1.2 Проведение испытаний
Проверке подлежат все отверстия в твердых элементах конструкции, нижний край которых расположен на высоте более 600 мм от поверхности детской спортивной площадки.
Для проверки возможности застревания головы или шеи пользователя щупы А, Б или В вставляют последовательно в каждое отверстие испытуемого оборудования и фиксируют, какой из щупов проходит в отверстие.
Если щуп свободно не проходит в отверстие, прикладывают силу (222±5) Н.
Если щупы А и Б проходят в отверстие, то щуп В должен также проходить в отверстие. В противном случае, существует риск застревания головы и шеи.
Г.3.1.3 Результаты испытаний записывают в протокол.
Г.3.2 Испытания на застревание в прямоугольных и V-образных зазорах
Г.3.2.1 Аппаратура
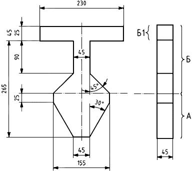
Шаблон, применяемый при испытаниях, — в соответствии с рисунком Г.6.
Рисунок Г.6 — Шаблон для определения застреваний головы или шеи в прямоугольных и V-образных зазорах

А — зона А шаблона; Б — зона Б шаблона: Б1 — плечи шаблона
Рисунок Г.6 — Шаблон для определения застреваний головы или шеи в прямоугольных и V-образных зазорах
Г.3.2.2.1 Испытание V-образных и прямоугольных зазоров с использованием зоны Б шаблона.
Помещают зону Б шаблона в зазор перпендикулярно к плоскости зазора в соответствии с рисунками Г.7 и Г.8.
При этом следует установить и зафиксировать в отчете, проходит ли шаблон между краями отверстия, или его невозможно ввести по всей толщине.
Если шаблон можно ввести на большую глубину, чем толщина шаблона (45 мм), используют зону А шаблона, причем его центральная линия ориентируется таким образом, чтобы проверить конечные точки и центральную линию отверстия.
Рисунок Г.7 — Испытания V-образных зазоров с использованием зоны Б шаблона
Рисунок Г.7 — Испытания V-образных зазоров с использованием зоны Б шаблона
Рисунок Г.8 — Испытания прямоугольных зазоров с использованием зоны Б шаблона
Рисунок Г.8 — Испытания прямоугольных зазоров с использованием зоны Б шаблона
Зазор считают допустимым:
— если зона Б шаблона не проходит в зазор;
— если зона Б шаблона проходит в зазор на глубину менее 45 мм (толщина шаблона).
Если шаблон можно вставить в V-образный зазор на глубину, большую чем толщина шаблона (45 мм), то проводят испытание с использованием зоны А шаблона.
Г.3.2.2.2 Испытание зазоров с использованием зоны А шаблона
Помещают зону А шаблона в зазор до соприкосновения его со стенками зазора так, чтобы продольная ось шаблона совпадала с продольной осью зазора и определяют и регистрируют угол, на который отклоняется шаблон в зазоре согласно рисунку Г.9.
Рисунок Г.9 — Испытание зазоров с использованием зоны А шаблона

а) Параллельность поверхностей тестового образца

б) Расположение зон по отношению к вертикальной и горизонтальной осям
1 — зона 1; 2 — зона 2; 3 — зона 3

a — угол ввода зоны А шаблона: b — ось шаблона; c — проверка всех углов ввода
Рисунок Г.9 — Испытание зазоров с использованием зоны А шаблона
Следует обеспечить, чтобы поверхность тестового шаблона была расположена параллельно и согласованно с отверстием, как показано на рисунке Г.9, а).
Шаблон вводят вдоль отверстия, пока его движение не остановится из-за соприкосновения с краями отверстия.
Проверяют два возможных варианта возникновения опасных ситуаций, как показано на рисунке Г.9, (б (расположение зон по отношению к вертикальной и горизонтальной осям).
Вариант 1 — отверстия расположены под углом до 45° от вертикальной оси зона 1 (рисунок Г.9, б). Тестирование показано на рисунке Г.10.
Рисунок Г.10 — Примеры размещения зоны А шаблона при испытаниях зазоров, вариант 1


Рисунок Г.10 — Примеры размещения зоны А шаблона при испытаниях зазоров, вариант 1
Вариант 2 — отверстия расположены под углом от 45° до 90° от вертикальной оси зона 2 (рисунок Г.9, б). Тестирование показано на рисунке Г.11.
Рисунок Г.11 — Примеры размещения шаблона при испытаниях зазоров, вариант 2


Рисунок Г.11 — Примеры размещения шаблона при испытаниях зазоров, вариант 2
Зазор считают допустимым:
— если вершина зоны А шаблона достигает дна зазора (см. рисунок Г.9 1, в);
— если зона А шаблона боковыми гранями соприкасается со стенками зазора, находящегося на высоте менее 600 мм от поверхности игровой площадки (см. рисунок Г.10, а) 2).
Зазор считают недопустимым, если зона А шаблона не проходит в зазор, вершина зоны А шаблона не достигает дна зазора (рисунки Г.10, б) и Г.11, б).
Библиография
__________________________________________________________________________________________
УДК 796.022:006.354 ОКС 97.220.40 ОКП 96 8960
Н/м.*






