ГОСТ Р 52949-2008 Фитинги-переходники из меди и медных сплавов для соединения трубопроводов. Технические условия
ГОСТ Р 52949-2008 Фитинги-переходники из меди и медных сплавов для соединения трубопроводов. Технические условия
НАЦИОНАЛЬНЫЙ СТАНДАРТ РОССИЙСКОЙ ФЕДЕРАЦИИ
ФИТИНГИ-ПЕРЕХОДНИКИ ИЗ МЕДИ И МЕДНЫХ СПЛАВОВ ДЛЯ СОЕДИНЕНИЯ ТРУБОПРОВОДОВ
Fittings-adapters from copper and copper alloys for connecting the pipelines.
Specifications
Цели и принципы стандартизации в Российской Федерации установлены Федеральным законом от 27 декабря 2002 г. N 184-ФЗ «О техническом регулировании», а правила применения национальных стандартов Российской Федерации — ГОСТ Р 1.0-2004 «Стандартизация в Российской Федерации. Основные положения»
Сведения о стандарте
1 РАЗРАБОТАН Техническим комитетом по стандартизации ТК 106 «Цветметпрокат», Научно-исследовательским, проектным и конструкторским институтом сплавов и обработки цветных металлов «Открытое акционерное общество «Институт Цветметобработка»
2 ВНЕСЕН Техническим комитетом по стандартизации ТК 106 «Цветметпрокат»
3 УТВЕРЖДЕН И ВВЕДЕН В ДЕЙСТВИЕ Приказом Федерального агентства по техническому регулированию и метрологии от 14 августа 2008 г. N 172-ст
4 Настоящий стандарт разработан с учетом основных нормативных положений регионального стандарта ЕН 1254-4:1998 «Медь и медные сплавы. Фитинги. Часть 4. Фитинги, присоединяемые комбинацией капиллярной пайки твердым или мягким припоем или обжатия с другими типами соединений (EN 1254-4:1998 «Copper and copper alloys — Plumbing fittings — Part 4: Fittings combining other end connections with capillary or compression ends», NEQ)
5 ВВЕДЕН ВПЕРВЫЕ
Информация об изменениях к настоящему стандарту публикуется в ежегодно издаваемом информационном указателе «Национальные стандарты», а текст изменений и поправок — в ежемесячно издаваемых информационных указателях «Национальные стандарты».
1 Область применения
Настоящий стандарт распространяется на фитинги-переходники из меди и медных сплавов с разными концами: для пайки или прессования с одной стороны и резьбовыми — с другой, предназначенные для соединения медных труб, изготовленных по ГОСТ Р 52318, и устанавливает требования к фитингам-переходникам, используемым в системах: питьевого водоснабжения, холодного и горячего водоснабжения, водяного (парового) отопления, нагревательных и охлаждающих, канализации, водоочистных сооружений и газоснабжения.
Стандарт устанавливает резьбовые соединения концов фитингов, типы и размеры резьбы.
2 Нормативные ссылки
В настоящем стандарте использованы нормативные ссылки на следующие стандарты:
ГОСТ Р 52318-2005 Трубы медные круглого сечения для воды и газа. Технические условия
ГОСТ Р 52922-2008 Фитинги из меди и медных сплавов для соединения медных труб способом капиллярной пайки. Технические условия
ГОСТ Р 52948-2008 Фитинги из меди и медных сплавов для соединения медных труб способом прессования. Технические условия
ГОСТ 2533-88 Калибры для трубной цилиндрической резьбы. Допуски
ГОСТ 6211-81 Основные нормы взаимозаменяемости. Резьба трубная коническая
ГОСТ 6357-81 Основные нормы взаимозаменяемости. Резьба трубная цилиндрическая
ГОСТ 7157-79 Калибры для трубной конической резьбы. Типы. Основные размеры и допуски
ГОСТ 24939-81 Калибры для цилиндрических резьб. Виды
3 Термины и определения
В настоящем стандарте применены следующие термины с соответствующими определениями:
3.1 фитинг: Устройство в трубопроводной системе, предназначенное для соединения труб между собой или с другими компонентами этой системы.
3.2 резьбовое соединение: Соединение, которое обеспечивает разъединение системы без нарушения других секций трубы.
Резьбовое соединение может быть: сфера в конус, конус в конус или конус в радиус или в плоскую поверхность с уплотнителем.
Составные части резьбового соединения должны быть только от одного конкретного производителя.
4 Технические требования
4.1 Материалы, технические требования, методы контроля и испытаний, правила приемки, маркировка, упаковка, транспортирование и хранение должны соответствовать требованиям для фитингов-переходников:
— с концом для капиллярной пайки по ГОСТ Р 52922;
— с концом для прессования по ГОСТ Р 52948.
4.2 Резьбовое соединение при сборке должно выдерживать максимальное эксплуатационное давление для соответствующего конца трубы. При разъединении и повторном присоединении резьбовое соединение должно выдерживать максимальное эксплуатационное давление.
4.3 При монтаже трубопровода должны быть применены внутреннее и наружное цилиндрические и наружное коническое резьбовые соединения.
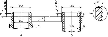
4.4 Внутреннее цилиндрическое резьбовое соединение приведено на рисунках 1 и 2.
Рисунок 1 — Внутреннее цилиндрическое резьбовое соединение с резьбой по ГОСТ 6357
Рисунок 1 — Внутреннее цилиндрическое резьбовое соединение с резьбой по ГОСТ 6357
Размеры внутренней цилиндрической резьбы должны соответствовать указанным в таблицах 1 и 2.
Таблица 1 — Размеры внутренней цилиндрической резьбы по ГОСТ 6357
|
Диаметр прессованного фитинга или прутка из латуни |
||||||
|
* По согласованию изготовителя с потребителем допускается взамен фаски |
||||||

Рисунок 2 — Внутреннее цилиндрическое резьбовое соединение с резьбой по ГОСТ 6357
Таблица 2 — Размеры внутренней цилиндрической резьбы по ГОСТ 6357
4.5 Наружное коническое резьбовое соединение приведено на рисунках 3 и 4.
Рисунок 3 — Наружное коническое резьбовое соединение с резьбой по ГОСТ 6211

________________
— сбег резьбы.
Рисунок 3 — Наружное коническое резьбовое соединение с резьбой по ГОСТ 6211
Размеры наружной конической резьбы должны соответствовать указанным в таблицах 3 и 4.
Таблица 3 — Размеры наружной конической резьбы по ГОСТ 6211
Рисунок 4 — Наружное модифицированное коническое резьбовое соединение Rk

________________
— сбег резьбы.
Рисунок 4 — Наружное модифицированное коническое резьбовое соединение Rk по ГОСТ 6211
Таблица 4 — Размеры наружной модифицированной конической резьбы Rk по ГОСТ 6211
4.6 Наружное цилиндрическое резьбовое соединение приведено на рисунке 5.
Рисунок 5 — Наружное цилиндрическое резьбовое соединение по ГОСТ 6357

Рисунок 5 — Наружное цилиндрическое резьбовое соединение по ГОСТ 6357
Размеры наружной цилиндрической резьбы должны соответствовать указанным в таблице 5.
Таблица 5 — Размеры наружной цилиндрической резьбы по ГОСТ 6357
|
|
|
|
|
||||
|
* Допускается для специальных целей увеличение максимальной длины |
|||||||
4.7 Предельное отклонение по диаметру фитингов с резьбовыми концами проверяют при помощи калибров по ГОСТ 2533, ГОСТ 7157 и ГОСТ 24939.
4.8 Момент вращения при уплотнении требуется прикладывать к гайке и на прямой участок трубы.
4.9 Минимальная толщина стенки у резьбовой части фитинга должна соответствовать указанной в таблице 6.
Таблица 6 — Минимальная толщина стенки фитинга
4.10 Минимальное поперечное сечение для фитингов с разными концами не распространяется на другие выходные отверстия.
4.11 Минимальный наружный диаметр торца на фитингах, имеющих уплотняющую фаску, должен соответствовать размеру
, указанному в таблице 5.
4.12 Свободные фланцы и крепеж на фитингах фланцевого типа может быть из черного металла, если другой не указан.
Примечание — Требования к защите от коррозии фланцев и крепежа из черных металлов указывает потребитель.

